水質自動監測系統系統概述
自(zi)動(dong)監(jian)測(ce)系統是一套以自(zi)動(dong)分析(xi)儀器(qi)為核心(xin),運用現代傳感(gan)器(qi)技(ji)術(shu)、自(zi)動(dong)測(ce)量技(ji)術(shu),自(zi)動(dong)控制技(ji)術(shu)、計算(suan)機應用技(ji)術(shu)以及相關的(de)(de)專用分析(xi)軟件和(he)通訊網(wang)絡所(suo)組(zu)成的(de)(de)一個綜(zong)合性(xing)的(de)(de)自(zi)動(dong)監(jian)測(ce)數據(ju)(網(wang)絡根據(ju)需要可以選擇(ze)),統計、處理監(jian)測(ce)數據(ju),可打印輸(shu)出日、周(zhou)、月、季、年(nian)平勻數據(ju)以及日、周(zhou)、月、季、年(nian)最(zui)大(da)值、最(zui)小值等各(ge)種(zhong)監(jian)測(ce)、統計報告及圖(tu)表(biao)(棒狀(zhuang)圖(tu)、曲線圖(tu)多(duo)軌跡圖(tu)、對(dui)比(bi)圖(tu)等),并可輸(shu)入中心(xin)數據(ju)庫或上網(wang)。收集并可長期存儲(chu)指(zhi)定的(de)(de)監(jian)測(ce)數據(ju)及各(ge)種(zhong)運行資(zi)料、環境資(zi)料備檢索。
系(xi)統具有監(jian)(jian)測(ce)(ce)項(xiang)目超標及(ji)子(zi)站狀態(tai)信號顯示、報(bao)警功(gong)能(neng)(neng)(neng);自動(dong)運行(xing)(xing)、停電(dian)保護(hu)(hu)、來電(dian)自動(dong)恢(hui)復功(gong)能(neng)(neng)(neng);維護(hu)(hu)檢查狀態(tai)測(ce)(ce)試,便于例行(xing)(xing)維修(xiu)和(he)應急故(gu)障處理等功(gong)能(neng)(neng)(neng)。實施(shi)水(shui)質(zhi)(zhi)自動(dong)監(jian)(jian)測(ce)(ce),可以實現水(shui)質(zhi)(zhi)的(de)實時連(lian)續監(jian)(jian)測(ce)(ce)和(he)遠程監(jian)(jian)控(kong),達到及(ji)掌握主(zhu)要流(liu)域(yu)重(zhong)點斷面水(shui)體的(de)水(shui)質(zhi)(zhi)狀況(kuang)、預警預報(bao)重(zhong)大或(huo)流(liu)域(yu)性水(shui)質(zhi)(zhi)污(wu)(wu)染(ran)事故(gu)、解(jie)決(jue)跨(kua)行(xing)(xing)政區域(yu)的(de)水(shui)污(wu)(wu)染(ran)事故(gu)糾紛(fen)、監(jian)(jian)督(du)總(zong)量控(kong)制制度落(luo)實情況(kuang)、排放達標情況(kuang)等目的(de)。該系(xi)統能(neng)(neng)(neng)夠自動(dong)計量重(zhong)點污(wu)(wu)染(ran)源污(wu)(wu)水(shui)排放量,自動(dong)實現水(shui)樣(yang)的(de)連(lian)續等比(bi)例采樣(yang),自動(dong)記錄和(he)監(jian)(jian)控(kong)污(wu)(wu)染(ran)設(she)施(shi)的(de)運行(xing)(xing),自動(dong)完成PH、ORP、濁度、余氯、流(liu)量等參數的(de)自動(dong)監(jian)(jian)測(ce)(ce),自動(dong)完成環(huan)境信息(xi)的(de)連(lian)網傳輸和(he)分析(xi)處理。
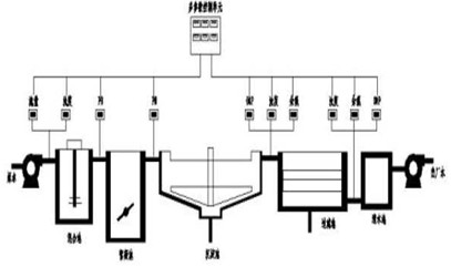
下面為系統的工作邏輯圖,系統組成如下圖所示:
![]() |
![]() |

使用微信“掃一掃”功能添加“谷騰環保網”