噴淋泡沫塔在處理鍋爐煙氣中的應用
摘要:介紹了一種新型噴淋泡沫脫硫除塵塔在鍋爐煙氣處理中應用。根據離心、噴霧、泡沫相結合的多級凈化原理,經旋風噴霧、二級噴淋泡沫板洗滌,脫硫效率為91.4%,除塵效率為98.7%。噴淋泡沫塔具有除塵脫硫一體化、設備占地面積小、節省投資等特點,適用于大中型工業鍋爐煙氣脫硫除塵。
關鍵字:噴淋泡沫塔,脫硫除塵
1 前言
在我國的一次能源消耗結構中,燃煤占總能源消耗的70%以上,而由燃煤產生的SO2約占到全國SO2總排放量的90%。因此,對燃煤鍋爐煙氣進行脫硫、控制SO2的排放是我國經濟和社會發展的迫切要求。北京某熱力廠擬為1臺35t/h燃煤鍋爐的煙氣進行治理,拆除現有φ2500mm文丘里麻石水膜除塵器,選用凈化效率穩定、運行可靠、投資適合北京市市情的新型高效噴淋泡沫脫硫除塵塔。根據脫硫除塵系統需要,配置相應的高效脫水設備、水循環系統、加藥系統、曝氣系統和自動控制系統。
2 治理方案
2.1設計參數
根據該廠提供的測試報告和資料確定主要設計參數為:煙氣量≤63000m3/h,空氣預熱器出口煙氣溫度≤180℃,空氣預熱器出口含塵濃度≤2500mg/m3,燃煤含硫量≤0.8%,除塵器前系統阻力≤1.0kPa,脫硫效率≥90%,除塵效率≥98.2%。
2.2治理工藝
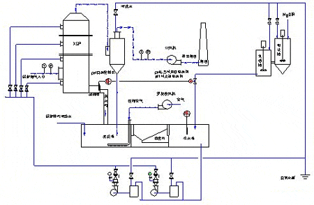
本工藝包括煙氣系統、水循環系統、加藥系統、曝氣系統和自動控制系統,工藝流程見圖1。
![]() 圖1煙氣脫硫除塵工藝流程 |
2.2.1煙氣系統
本工藝將鍋爐煙氣引入空氣換熱器降溫到180℃以下,再通過管道切向進入噴淋泡沫塔,煙氣在塔內經洗滌液噴淋后由煙道進入高效脫水器,帶氣霧的煙氣經脫水后進入引風機,由煙道進入煙囪排放。引風機選用GDGYNo13–左90°–132kW–60℃防腐引風機。流量為75000m3/h,全壓為3.6kPa。
2.2.2水循環系統
由循環水泵將含有脫硫劑(MgO粉)的循環水從水池送往噴淋泡沫塔,同塔中的煙氣反應后由溢流槽排出,經灰水溝排入水池(容積為2400m3)。本系統總循環水量為252t/h。選用2臺(其中1臺備用)150UHB–ZK–250–35(75kW)耐磨防腐水泵作為循環水泵。
2.2.3加藥系統
進入水池中的循環水通過pH值自動測量儀檢測pH值。當pH<6.5時,自動打開Mg(OH)2乳液管路上的電動調節閥,注入Mg(OH)2乳液;調整到出塔循環水pH=6.5時自動關閉電動調節閥,經過pH儀調節循環水清水池中水的pH值為9~11。MgO粉加到消化槽內,加水攪拌幾分鐘成乳狀液后,靠重力自流到Mg(OH)2乳液貯槽。貯槽中的乳液通過重力自流到沉淀池,供脫硫使用。MgO粉的投加量為66.8kg/h。
2.2.4曝氣系統
為使沉淀池中的MgSO3氧化成溶解于水的MgSO4,需在沉淀池中進行曝氣,這樣既可大大減少循環水中的懸浮物,也可防止循環水系統及脫硫塔內結垢堵塞,同時還可減少脫硫渣的生成量。曝氣壓縮空氣氣源由羅茨鼓風機直接提供,由曝氣管路送到沉淀池。壓縮空氣從曝氣管路中以小氣泡通過循環水,從水面逸出。氧氣的消耗量為4.6m3/min。
2.2.5自動控制系統
本系統中引風機采用變頻控制,控制盤位于鍋爐控制間。水泵亦采用變頻控制。pH值自動控制儀根據采樣的數據以4~20mA的信號控制加藥電動閥門。
2.3工作原理
噴淋泡沫塔采用切向進風,使氣流旋轉上升。在煙氣入口上方布置1層或2層螺旋噴嘴組合層,噴嘴層上方為多孔泡沫塔板層,塔板上設噴淋布水器。整個塔分成上、下2個塔體,或上、中、下3個塔體(當用2層塔板時),下塔體下部為循環水槽及液封排水槽。
鍋爐排放的煙氣,切向進入噴淋泡沫塔旋流段,較大粒徑的煙塵受離心力的作用產生附壁效應與塔板布下的水幕匯合,流到塔底排出。煙氣繼續在塔體內上升,先經2層霧化噴嘴洗滌、吸收而脫除部分細顆粒煙塵和SO2,煙氣上升再經2層泡沫塔板,布滿吸收液的多孔板鼓泡形成有巨大液膜表面積的泡沫層,同時塔板上具有極大液膜表面積的氣霧,煙塵在此階段亦發生擴散作用,從而進一步去除細顆粒煙塵和脫掉SO2,最終達到高的除塵脫硫效率。
洗滌及吸收都是依賴氣液兩相液膜界面進行的,液膜面積越大,除塵脫硫效率越高。凈化煙氣中的氣霧,在上塔體中緩慢上升,經塔體與脫水器之間的連接管,進入高效復檔型脫水器,脫水后經煙道進入引風機至煙囪達標排放。堿性循環水在塔內吸收SO2后,pH值迅速降低,排入循環沉淀池與鍋爐堿性排污水匯合,通過加藥裝置,將200目以上的MgO粉制成Mg(OH)2乳液,通過pH自動控制儀控制加藥的電動閥門,調整水池內的pH值,使出塔洗滌液的pH值為6.5左右。進入水池內的循環水經鼓風曝氣,使脫硫產物最終氧化成溶于水的MgSO4。其化學反應方程式為:
![]() |
為防止水池內硫酸鹽過飽和,需排出部分循環水,其水量約占總循環水量的2%。
3 運行效果分析
本工藝的監測結果見表1。
表1煙氣處理結果數據
|
由表1可知,經處理后SO2的排放濃度為95.0mg/m3,去除率達91.4%;煙塵的排放濃度為27.0mg/m3,去除率達98.7%。北京市環境保護局、北京質量技術監督局聯合頒發的《鍋爐污染物綜合排放標準》(DB11/139–2002)A區和B區II時段規定污染物排放限值為:SO2≤150mg/m3、煙塵≤50mg/m3。這說明用噴淋泡沫塔脫硫除塵可以達到非常理想的效果,煙塵和SO2的排放濃度遠低于標準的限值要求。
本工藝系統共投資158.0萬元,系統年運行費用為48.6萬元,脫除SO2費用為0.93元/kg。
4 結論
4.1噴淋泡沫塔根據離心、噴霧、泡沫相結合的多級凈化原理,將二級噴霧洗滌同二級泡沫層脫硫除塵相互結合,優勢互補,充分發揮這2種除塵及脫硫單元的功能,做到除塵粒徑由粗到細,脫硫功能由中效到高效的逐段按序完成,從而保證脫硫除塵器的優良工況和性能。
4.2該工藝系統凈化效率穩定、運行可靠,其脫硫除塵效率分別達到91.4%和98.7%。

使用微信“掃一掃”功能添加“谷騰環保網”