一入二出信號隔離器_PR-112
![]() |
人氣:1585 發布時間:2011-04-12 10:36 關鍵詞:其它 產品型號: 應用領域:電磁輻射 產品價格:面議 |
_PR-112是直流信號隔離器,24VDC或220VAC供電,輸入、輸出、電源、通道間全隔離,解決工業現場干擾。
輸入規格:
|
||
代碼
|
輸入信號
|
輸入阻抗
|
1
|
0-75mV
|
≥100KΩ
|
2
|
0-5V
|
|
3
|
0-10V
|
|
4
|
0-250V
|
|
5
|
0-10mA
|
≤100Ω
|
6
|
0-20mA
|
|
7
|
4-20mA
|
|
8
|
用戶特定參數
|
輸出規格:
|
||||
代碼
|
輸出信號1
|
代碼
|
輸出信號2
|
輸出阻抗
|
A
|
0-5V
|
A
|
0-5V
|
≥10K
|
B
|
0-10V
|
B
|
0-10V
|
|
C
|
-10V~+10V
|
C
|
-10V~+10V
|
|
D
|
1-5V
|
D
|
1-5V
|
|
E
|
0-10mA
|
E
|
0-10mA
|
≤1K
|
F
|
0-20mA
|
F
|
0-20mA
|
≤500Ω
|
G
|
4-20mA
|
G
|
4-20mA
|
|
H
|
用戶特定參數
|
● 輸出為單通道時,輸出信號2為缺省
技術指標:
輸入阻抗:電壓型≥100KΩ,電流型≤100Ω
輸出阻抗:0-500Ω
響應時間:<0.05s(0~90%)(TYP)
波 紋:<10mVrms
傳輸誤差:0.1%的終值
溫度系數:50ppm/K的測量值/100Ω負載
耐壓強度:500VDC時100MΩ以上,2000VAC/分鐘
電磁兼容性:符合GB/T18268工業設備應用要求
(等同IEC61326-1)
工作溫度:-25℃~+85℃
工作濕度:<90%RH(無凝結水)
電 源:24VDC±10%
消耗功率:<1W
外殼材料:尼龍PA.66
重 量:約90克
產品特點:
●易連接,低功耗,長壽命
●外形小巧,厚度僅12.5mm
●D I N 導軌安裝,插拔式端子
●輸入/輸出/電源/通道間全隔離
方框圖:

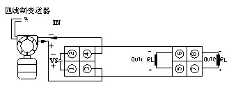
接線圖:

外形尺寸:

選型舉例:

地址:南京市江寧區科學園營寧路八號二號樓三層
郵編:211100
電話:025-87187408/ 87187418/ 87187428/ 87180825
傳真:025-87187428-800(自動)
025-51198288(任工)
網址:
電子郵件:cn_paragon@126.com
郵編:211100
電話:025-87187408/ 87187418/ 87187428/ 87180825
傳真:025-87187428-800(自動)
025-51198288(任工)
網址:
電子郵件:cn_paragon@126.com
_PR-112將直流電流、電壓信號分成兩路相同或不同的電流、電壓信號,實現不同設備同時采集控制。