視鏡 鋼襯四氟管道件
![]() |
人氣:1468 發布時間:2010-04-07 09:42 關鍵詞:管材管件 產品型號: 應用領域:水處理 產品價格:面議 |
![]() |
![]() |
帶襯里視鏡1Mpa
性能規范
通徑:(DN)25-150
壓力:(PN)1MPa
材料:碳鋼襯F46
使用介質:酸、堿、鹽類。
使用溫度:-50℃-150℃
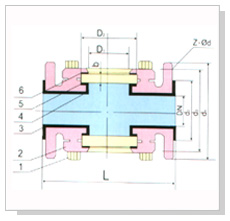
主要零件及材料
件 號
|
名 稱
|
數 量
|
材 料
|
1
|
外六角螺栓
|
12
|
A3F
|
2
|
壓緊環
|
2
|
45
|
3
|
殼體
|
1
|
ZG25
|
4
|
襯里
|
1
|
F46
|
5
|
視鏡
|
2
|
鋼化玻璃
|
6
|
襯墊
|
2
|
耐酸石棉板
|
主要外形尺寸、連接尺寸及重量
公稱通徑
|
視鏡規格
D2×b |
主要尺寸
|
重量
|
|||||
D1
|
d2
|
d3
|
d4
|
L
|
Z-φd
|
|||
25
|
80×15
|
60
|
65
|
85
|
115
|
230
|
4-14
|
7
|
32
|
80×15
|
60
|
75
|
100
|
135
|
230
|
4-18
|
8
|
40
|
100×15
|
80
|
85
|
110
|
145
|
230
|
4-18
|
12.5
|
50
|
100×15
|
80
|
100
|
125
|
160
|
230
|
4-18
|
13
|
65
|
120×18
|
100
|
120
|
145
|
180
|
240
|
4-18
|
14.5
|
80
|
120×18
|
100
|
135
|
160
|
195
|
240
|
4-18
|
16
|
100
|
140×20
|
120
|
155
|
180
|
215
|
240
|
8-18
|
17.5
|
125
|
160×20
|
145
|
185
|
210
|
245
|
250
|
8-18
|
24
|
150
|
180×20
|
165
|
200
|
240
|
280
|
300
|
8-23
|
33
|