水力停留時間對曝氣生物濾池處理效能及運行特性的影響
通過實驗室模型試驗研究了曝(pu)氣生物濾(lv)池處理(li)模擬生活(huo)污水的(de)效(xiao)(xiao)能(neng),分(fen)析了水力(li)停留(liu)時間(HRT)變化對曝(pu)氣生物濾(lv)池處理(li)效(xiao)(xiao)果(guo)及運行(xing)特性的(de)影響規律。研究發現(xian),當(dang)HRT大于0.6h時,曝(pu)氣生物濾(lv)池具有良(liang)好的(de)有機物和(he)濁(zhuo)度(du)的(de)去除(chu)效(xiao)(xiao)果(guo),而當(dang)HRT為(wei)0.4h時,處理(li)效(xiao)(xiao)果(guo)則顯(xian)(xian)著(zhu)下降;反應器的(de)硝化反硝化脫氮(dan)能(neng)力(li)受HRT的(de)影響比較明顯(xian)(xian),縮短HRT將使(shi)氨氮(dan)和(he)總氮(dan)去除(chu)率(lv)迅速下降,當(dang)HRT為(wei)1.25h時,氨氮(dan)和(he)總氮(dan)去除(chu)率(lv)分(fen)別達(da)到70%和(he)40%以上(shang);縮短HRT會(hui)在一(yi)定程度(du)上(shang)促進(jin)亞硝酸(suan)鹽積累現(xian)象(xiang)的(de)發生,而反應器的(de)過濾(lv)周期(qi)則與(yu)HRT呈明顯(xian)(xian)的(de)線(xian)性關(guan)系。
曝氣生(sheng)物(wu)(wu)濾(lv)池是近年來得到廣泛關注的(de)新(xin)型污(wu)(wu)(wu)水(shui)(shui)生(sheng)物(wu)(wu)處(chu)(chu)理技術,具(ju)有(you)(you)處(chu)(chu)理效率高、占地面(mian)積小(xiao)(xiao)、基建(jian)及(ji)運行費用(yong)低(di)、管(guan)理方便(bian)和(he)抗沖擊(ji)負荷能力強等特點,可以(yi)用(yong)于(yu)SS去(qu)除(chu)、有(you)(you)機物(wu)(wu)去(qu)除(chu)、硝化除(chu)氨、反硝化脫氮和(he)除(chu)磷等,在(zai)微污(wu)(wu)(wu)染飲(yin)用(yong)水(shui)(shui)源(yuan)水(shui)(shui)預處(chu)(chu)理、中(zhong)(zhong)小(xiao)(xiao)型污(wu)(wu)(wu)水(shui)(shui)處(chu)(chu)理廠(chang)和(he)二(er)級出水(shui)(shui)的(de)深度凈化等方面(mian)有(you)(you)著廣闊的(de)應用(yong)潛力。目前(qian)對(dui)曝氣生(sheng)物(wu)(wu)濾(lv)池的(de)研究主要(yao)集中(zhong)(zhong)于(yu)微污(wu)(wu)(wu)染飲(yin)用(yong)水(shui)(shui)源(yuan)水(shui)(shui)預處(chu)(chu)理和(he)污(wu)(wu)(wu)水(shui)(shui)深度處(chu)(chu)理等,而(er)直接針對(dui)生(sheng)活污(wu)(wu)(wu)水(shui)(shui)二(er)級處(chu)(chu)理的(de)研究報(bao)道尚不多見。
本文通過采(cai)用(yong)上向流曝氣生(sheng)物(wu)濾(lv)(lv)池處理模擬生(sheng)活污水,重(zhong)點考察(cha)不同水力停留時間(HRT)條(tiao)件(jian)下曝氣生(sheng)物(wu)濾(lv)(lv)池對(dui)COD、懸(xuan)浮物(wu)、氨氮、總氮的(de)去(qu)除(chu)效(xiao)果,探(tan)討(tao)HRT對(dui)曝氣生(sheng)物(wu)濾(lv)(lv)池處理效(xiao)能和(he)運行特(te)性的(de)影響規律,以期為(wei)進一步(bu)的(de)理論研究和(he)工程應用(yong)提供依據。
1 試驗裝置及方法
1.1 試驗裝置
試驗裝置見圖1,反應器由聚氯乙烯有機(ji)玻(bo)璃制成,內徑(jing)100mm,高2500mm,填(tian)(tian)料(liao)選用花崗巖碎石,粒徑(jing)3~5mm,填(tian)(tian)料(liao)填(tian)(tian)裝高度1500mm,反應器底部填(tian)(tian)裝150mm粒徑(jing)15mm左右(you)的卵石承托層。曝(pu)氣(qi)口位于底部150mm處。
![]() |
1.2 試驗方法
試驗用(yong)水為(wei)人工合成的(de)模擬生活污(wu)水,采用(yong)淀(dian)粉、蛋白胨、牛肉膏、NH4Cl、KH2PO4、CaCl2·H2O、MgSO4·7H2O、FeSO4·7H2O、NaHCO3和少量生活污(wu)水等按一定比例配(pei)制,水質為(wei)COD299.6~326.7mgL,氨氮(dan)45.3~46.3mgL,總氮(dan)48.6~51.2mgL,硝態氮(dan)0~0.02mgL,亞(ya)硝態氮(dan)0~0.15mgL,pH5.78~7.68,總磷(lin)4~6mgL。
試驗采用(yong)上向流進水,氣(qi)水同向。反應(ying)器啟(qi)動時(shi)投加一定(ding)(ding)量(liang)種泥,悶曝(pu)3d后改為連續(xu)(xu)流進水,運行15d后掛膜成功。試驗分別在HRT為2.50、1.25、0.80、0.60、0.40h的運行條件下各穩定(ding)(ding)運行5d,為保證供氧要(yao)求(qiu),曝(pu)氣(qi)量(liang)按氣(qi)水比10∶1供給(gei);試驗期(qi)間水溫(wen)為20.5~24.5℃,按標準方法連續(xu)(xu)測定(ding)(ding)反應(ying)器進出水水樣的COD、氨氮(dan)、總氮(dan)、硝態氮(dan)、亞硝態氮(dan)、pH值和濁度。反沖(chong)洗采用(yong)氣(qi)水聯合反沖(chong),反沖(chong)洗周(zhou)期(qi)按運行時(shi)水頭損失達到(dao)1.2m的時(shi)間來確定(ding)(ding)。
2 試驗結果及分析
2.1 HRT對曝(pu)氣生(sheng)物(wu)(wu)(wu)濾池有(you)機物(wu)(wu)(wu)去除的(de)(de)影響有(you)機物(wu)(wu)(wu)是生(sheng)活污(wu)水中(zhong)的(de)(de)主要污(wu)染成分,由于(yu)中(zhong)小型點源污(wu)水水質水量呈經常性波動,所以,研究HRT變化對有(you)機物(wu)(wu)(wu)去除的(de)(de)影響規律具有(you)重要的(de)(de)工(gong)程指導意義。不同HRT條件下模(mo)型反(fan)應(ying)器對COD的(de)(de)平均去除率和進出水的(de)(de)平均COD濃度見圖2。
![]() |
由(you)圖2可知,隨著HRT的(de)(de)增加(jia)(jia),反(fan)(fan)應器(qi)對(dui)COD的(de)(de)平(ping)(ping)(ping)(ping)均去(qu)除(chu)率(lv)逐漸升高(gao),而處(chu)理(li)(li)水(shui)(shui)平(ping)(ping)(ping)(ping)均COD濃(nong)度(du)(du)也逐漸下降。當(dang)HRT由(you)0.6h增加(jia)(jia)到2.5h時,COD平(ping)(ping)(ping)(ping)均去(qu)除(chu)率(lv)由(you)85.9%提(ti)高(gao)至93.7%,處(chu)理(li)(li)水(shui)(shui)COD平(ping)(ping)(ping)(ping)均濃(nong)度(du)(du)由(you)42.1mgL降低至20.3mgL,但當(dang)HRT減少至0.4h時,COD平(ping)(ping)(ping)(ping)均去(qu)除(chu)率(lv)和處(chu)理(li)(li)水(shui)(shui)平(ping)(ping)(ping)(ping)均COD濃(nong)度(du)(du)分別為67.2%和102.6mgL,有機(ji)(ji)物(wu)(wu)(wu)(wu)去(qu)除(chu)能(neng)力(li)(li)明(ming)顯下降。試(shi)驗中發現,由(you)于反(fan)(fan)應器(qi)底部區域截污(wu)量大,生(sheng)(sheng)化(hua)反(fan)(fan)應激烈,生(sheng)(sheng)物(wu)(wu)(wu)(wu)膜(mo)(mo)生(sheng)(sheng)長迅(xun)速,生(sheng)(sheng)物(wu)(wu)(wu)(wu)膜(mo)(mo)較(jiao)厚,膜(mo)(mo)內部供氧不足,致(zhi)使(shi)在每一個過濾(lv)周期后段反(fan)(fan)應器(qi)底部出(chu)現一定程度(du)(du)的(de)(de)發黑現象。發黑濾(lv)層隨著HRT的(de)(de)減少而明(ming)顯地向上延伸。由(you)于模擬污(wu)水(shui)(shui)的(de)(de)有機(ji)(ji)物(wu)(wu)(wu)(wu)濃(nong)度(du)(du)相(xiang)(xiang)對(dui)穩定,因此縮短HRT,提(ti)高(gao)了水(shui)(shui)力(li)(li)負荷,相(xiang)(xiang)應地增加(jia)(jia)了有機(ji)(ji)物(wu)(wu)(wu)(wu)負荷,勢(shi)必使(shi)處(chu)理(li)(li)效率(lv)受到影響(xiang);同時,縮短HRT也會加(jia)(jia)大濾(lv)層間的(de)(de)過流速度(du)(du)和水(shui)(shui)力(li)(li)剪切力(li)(li),使(shi)生(sheng)(sheng)物(wu)(wu)(wu)(wu)膜(mo)(mo)更容易(yi)被洗脫,也將導(dao)致(zhi)出(chu)水(shui)(shui)COD有所增加(jia)(jia)。圖2也表(biao)明(ming),曝(pu)氣生(sheng)(sheng)物(wu)(wu)(wu)(wu)濾(lv)池有一定的(de)(de)抗水(shui)(shui)力(li)(li)沖擊能(neng)力(li)(li),當(dang)HRT為2.5~0.6h時,對(dui)曝(pu)氣生(sheng)(sheng)物(wu)(wu)(wu)(wu)濾(lv)池的(de)(de)有機(ji)(ji)物(wu)(wu)(wu)(wu)去(qu)除(chu)能(neng)力(li)(li)影響(xiang)較(jiao)小。
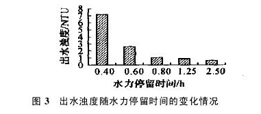
2.2 HRT對曝氣生物濾池(chi)懸浮物去除能力的影響(xiang)
試驗(yan)(yan)中處(chu)理(li)出水(shui)(shui)的(de)(de)懸(xuan)浮(fu)(fu)物(wu)濃(nong)度較(jiao)低,SS一般(ban)在(zai)5mgL以(yi)下(xia),測定(ding)時(shi)比較(jiao)困難,故試驗(yan)(yan)中主(zhu)要考(kao)察出水(shui)(shui)的(de)(de)濁(zhuo)度來探討HRT對懸(xuan)浮(fu)(fu)物(wu)去除的(de)(de)影(ying)響規律。圖3顯示了(le)不同(tong)(tong)HRT條件(jian)下(xia)處(chu)理(li)水(shui)(shui)濁(zhuo)度的(de)(de)變化情況(kuang)。由圖3可以(yi)看到,在(zai)適宜的(de)(de)HRT條件(jian)下(xia)(HRT>0.8h),曝(pu)氣(qi)生(sheng)物(wu)濾池對懸(xuan)浮(fu)(fu)物(wu)有(you)很好的(de)(de)去除能力,出水(shui)(shui)的(de)(de)平均(jun)濁(zhuo)度可以(yi)降至1NTU以(yi)下(xia),感官效(xiao)果(guo)(guo)極(ji)佳(jia)。但是當(dang)HRT縮(suo)短到0.4h時(shi),處(chu)理(li)水(shui)(shui)的(de)(de)平均(jun)濁(zhuo)度為7.18NTU,與(yu)活性(xing)污泥法沉后水(shui)(shui)接(jie)近(jin)。上(shang)向(xiang)流(liu)曝(pu)氣(qi)生(sheng)物(wu)濾池由于(yu)氣(qi)水(shui)(shui)同(tong)(tong)向(xiang),水(shui)(shui)流(liu)速(su)度較(jiao)快,使懸(xuan)浮(fu)(fu)物(wu)和(he)(he)脫落的(de)(de)生(sheng)物(wu)膜能夠向(xiang)濾層深處(chu)移動,提(ti)高(gao)了(le)濾層的(de)(de)納(na)污能力。但如(ru)果(guo)(guo)HRT過短,濾速(su)加(jia)(jia)快,單位時(shi)間進水(shui)(shui)量(liang)增(zeng)(zeng)加(jia)(jia),必須相應(ying)地提(ti)高(gao)曝(pu)氣(qi)量(liang)以(yi)維持穩定(ding)的(de)(de)氣(qi)水(shui)(shui)比,使得水(shui)(shui)力剪(jian)切作用(yong)和(he)(he)氣(qi)流(liu)擾動作用(yong)加(jia)(jia)強,空(kong)床(chuang)接(jie)觸時(shi)間縮(suo)短,生(sheng)物(wu)氧化不完全,必然(ran)會有(you)一部(bu)分懸(xuan)浮(fu)(fu)物(wu)穿透(tou)濾池,再加(jia)(jia)上(shang)流(liu)失生(sheng)物(wu)量(liang)增(zeng)(zeng)加(jia)(jia),導致(zhi)出水(shui)(shui)濁(zhuo)度上(shang)升,出水(shui)(shui)水(shui)(shui)質下(xia)降。圖3的(de)(de)試驗(yan)(yan)結(jie)果(guo)(guo)表明,在(zai)本試驗(yan)(yan)條件(jian)下(xia),當(dang)HRT大于(yu)0.8h時(shi),曝(pu)氣(qi)生(sheng)物(wu)濾池去除懸(xuan)浮(fu)(fu)物(wu)的(de)(de)能力幾乎(hu)沒有(you)受到影(ying)響;而HRT小(xiao)于(yu)0.6h時(shi),處(chu)理(li)水(shui)(shui)濁(zhuo)度顯著(zhu)上(shang)升,說明濾層截留的(de)(de)懸(xuan)浮(fu)(fu)物(wu)和(he)(he)脫落的(de)(de)生(sheng)物(wu)膜量(liang)已經超過了(le)濾池的(de)(de)最大納(na)污能力,致(zhi)使處(chu)理(li)效(xiao)率下(xia)降。
![]() |
2.3 HRT對曝氣(qi)生(sheng)物濾池硝化脫(tuo)氮效能(neng)的(de)影響
生活污水(shui)(shui)中(zhong)的(de)(de)(de)(de)主(zhu)要污染物(wu)為(wei)有機(ji)物(wu)、SS和含(han)氮(dan)(dan)(dan)(dan)(dan)化(hua)合物(wu),因此,生物(wu)反應(ying)器(qi)的(de)(de)(de)(de)硝(xiao)(xiao)化(hua)脫(tuo)氮(dan)(dan)(dan)(dan)(dan)能力也是評價其處理效(xiao)能的(de)(de)(de)(de)主(zhu)要指標之一。曝氣生物(wu)濾池(chi)由于(yu)(yu)其空間梯度特(te)征,可(ke)以實(shi)現不同污染物(wu)的(de)(de)(de)(de)漸次去除,具(ju)有較強的(de)(de)(de)(de)硝(xiao)(xiao)化(hua)脫(tuo)氮(dan)(dan)(dan)(dan)(dan)能力。Pujol等認為(wei),硝(xiao)(xiao)化(hua)生物(wu)濾池(chi)在高(gao)濾速條件下(xia)可(ke)以促進氨氮(dan)(dan)(dan)(dan)(dan)的(de)(de)(de)(de)去除。然而,對(dui)于(yu)(yu)有機(ji)物(wu)含(han)量較高(gao)的(de)(de)(de)(de)污水(shui)(shui),縮短HRT勢必增加(jia)有機(ji)負荷,因而將會(hui)影響(xiang)反應(ying)器(qi)的(de)(de)(de)(de)硝(xiao)(xiao)化(hua)能力。試驗中(zhong)考察了進出水(shui)(shui)的(de)(de)(de)(de)氨氮(dan)(dan)(dan)(dan)(dan)、總(zong)氮(dan)(dan)(dan)(dan)(dan)、硝(xiao)(xiao)態氮(dan)(dan)(dan)(dan)(dan)和亞硝(xiao)(xiao)態氮(dan)(dan)(dan)(dan)(dan)的(de)(de)(de)(de)含(han)量,以探討HRT對(dui)反應(ying)器(qi)硝(xiao)(xiao)化(hua)特(te)性和脫(tuo)氮(dan)(dan)(dan)(dan)(dan)性能的(de)(de)(de)(de)影響(xiang)規律,結果見(jian)圖4。
![]() |
由1.0%提高至(zhi)60.1%,說明延長(chang)HRT可(ke)以顯著地提高反(fan)(fan)應器(qi)(qi)的硝化(hua)(hua)脫氮效(xiao)能,這與(yu)Pujol對(dui)硝化(hua)(hua)生(sheng)物(wu)(wu)濾池(chi)的研究結(jie)果是(shi)不一致(zhi)的,原(yuan)因在(zai)(zai)于(yu),對(dui)于(yu)同步去(qu)除有(you)(you)機物(wu)(wu)和氨氮的曝氣生(sheng)物(wu)(wu)濾池(chi)而(er)言,縮短HRT會(hui)對(dui)反(fan)(fan)應器(qi)(qi)內生(sheng)物(wu)(wu)膜(mo)(mo)微生(sheng)態環境(jing)帶(dai)來兩個方面(mian)的沖(chong)擊,即導致(zhi)有(you)(you)機物(wu)(wu)負荷和水力及氣流剪(jian)切力的增加,使得異養菌(jun)生(sheng)長(chang)迅(xun)速(su),生(sheng)物(wu)(wu)膜(mo)(mo)更新速(su)度加快,系統(tong)的生(sheng)態振蕩性加強,使生(sheng)長(chang)緩慢,對(dui)底物(wu)(wu)、溶(rong)解氧和pH條件要求比(bi)較苛刻的氨氧化(hua)(hua)細菌(jun)及硝化(hua)(hua)細菌(jun)在(zai)(zai)競爭(zheng)中處于(yu)極不利的地位(wei);再加上縮短HRT,提高濾速(su)將導致(zhi)反(fan)(fan)沖(chong)洗(xi)(xi)頻繁,而(er)氨氧化(hua)(hua)細菌(jun)及硝化(hua)(hua)細菌(jun)的比(bi)增長(chang)速(su)率遠低(di)于(yu)異養菌(jun),使其在(zai)(zai)反(fan)(fan)沖(chong)洗(xi)(xi)過程(cheng)中更容易(yi)被洗(xi)(xi)脫出去(qu),從而(er)降低(di)了整個反(fan)(fan)應器(qi)(qi)的硝化(hua)(hua)能力。
根據微(wei)生(sheng)(sheng)態(tai)理論,生(sheng)(sheng)物(wu)(wu)(wu)膜法可以通過同(tong)步硝(xiao)(xiao)(xiao)(xiao)(xiao)化(hua)反(fan)硝(xiao)(xiao)(xiao)(xiao)(xiao)化(hua)脫氮(dan),因而要求生(sheng)(sheng)物(wu)(wu)(wu)膜在(zai)縱向上(shang)有相對穩定的(de)(de)好(hao)氧(yang)(yang)區域和(he)厭氧(yang)(yang)區域,使得好(hao)氧(yang)(yang)硝(xiao)(xiao)(xiao)(xiao)(xiao)化(hua)和(he)厭氧(yang)(yang)反(fan)硝(xiao)(xiao)(xiao)(xiao)(xiao)化(hua)能(neng)夠(gou)漸次(ci)進行,實現生(sheng)(sheng)物(wu)(wu)(wu)脫氮(dan)。在(zai)較(jiao)長的(de)(de)HRT下(xia)(xia)(本(ben)研(yan)究為2.5h),曝氣生(sheng)(sheng)物(wu)(wu)(wu)濾池(chi)的(de)(de)總氮(dan)去(qu)除(chu)率可達(da)60%,說明反(fan)應(ying)(ying)器內(nei)的(de)(de)異養菌(jun)(jun)、氨化(hua)細(xi)(xi)菌(jun)(jun)、硝(xiao)(xiao)(xiao)(xiao)(xiao)化(hua)細(xi)(xi)菌(jun)(jun)、反(fan)硝(xiao)(xiao)(xiao)(xiao)(xiao)化(hua)細(xi)(xi)菌(jun)(jun)、原生(sheng)(sheng)動(dong)物(wu)(wu)(wu)以及(ji)其(qi)他微(wei)生(sheng)(sheng)物(wu)(wu)(wu)的(de)(de)種類和(he)數量相對穩定,微(wei)生(sheng)(sheng)物(wu)(wu)(wu)系統的(de)(de)生(sheng)(sheng)態(tai)結構在(zai)生(sheng)(sheng)物(wu)(wu)(wu)膜內(nei)部組(zu)成和(he)沿水(shui)流方向的(de)(de)空間(jian)(jian)分(fen)(fen)布上(shang)保持著(zhu)較(jiao)穩定的(de)(de)動(dong)態(tai)平衡(heng)。而縮短HRT必然帶來底物(wu)(wu)(wu)和(he)曝氣強度(du)的(de)(de)增(zeng)加(jia),這樣(yang)一則凸現了(le)異養菌(jun)(jun)比(bi)增(zeng)殖速率較(jiao)高的(de)(de)生(sheng)(sheng)態(tai)優勢,二則增(zeng)加(jia)了(le)剪切(qie)強度(du),提高了(le)生(sheng)(sheng)物(wu)(wu)(wu)膜更新速度(du),使部分(fen)(fen)生(sheng)(sheng)物(wu)(wu)(wu)膜厚度(du)減小,其(qi)中的(de)(de)一些(xie)兼性反(fan)硝(xiao)(xiao)(xiao)(xiao)(xiao)化(hua)細(xi)(xi)菌(jun)(jun)的(de)(de)生(sheng)(sheng)態(tai)選擇泛化(hua),轉而在(zai)有氧(yang)(yang)時利用有機(ji)物(wu)(wu)(wu)為底物(wu)(wu)(wu),總體上(shang)降低(di)了(le)反(fan)應(ying)(ying)器的(de)(de)硝(xiao)(xiao)(xiao)(xiao)(xiao)化(hua)和(he)脫氮(dan)能(neng)力。同(tong)樣(yang),由于(yu)氨氧(yang)(yang)化(hua)細(xi)(xi)菌(jun)(jun)和(he)硝(xiao)(xiao)(xiao)(xiao)(xiao)化(hua)細(xi)(xi)菌(jun)(jun)在(zai)比(bi)增(zeng)殖速率和(he)氧(yang)(yang)飽(bao)和(he)常數等方面(mian)的(de)(de)不(bu)同(tong),使其(qi)在(zai)生(sheng)(sheng)物(wu)(wu)(wu)膜中處于(yu)不(bu)同(tong)的(de)(de)空間(jian)(jian)位置,所(suo)以在(zai)一定條件下(xia)(xia)生(sheng)(sheng)物(wu)(wu)(wu)反(fan)應(ying)(ying)器中會出(chu)現亞硝(xiao)(xiao)(xiao)(xiao)(xiao)酸鹽的(de)(de)積累。
圖(tu)5為(wei)不(bu)同HRT時處(chu)理水中(zhong)亞(ya)(ya)硝酸鹽(yan)(yan)在亞(ya)(ya)硝酸鹽(yan)(yan)與硝酸鹽(yan)(yan)之和(he)(he)中(zhong)所占比(bi)(bi)(bi)例的(de)(de)變(bian)化情況。由圖(tu)5可(ke)見,隨著HRT的(de)(de)縮短,處(chu)理水中(zhong)亞(ya)(ya)硝酸鹽(yan)(yan)的(de)(de)比(bi)(bi)(bi)例逐漸(jian)升高,由10.6%增加(jia)至60.7%。目前關于亞(ya)(ya)硝酸鹽(yan)(yan)積累(lei)的(de)(de)研究報道(dao)很(hen)多,對其形成原因主要(yao)有(you)(you)游離氨濃(nong)度(du)過(guo)高、溶解(jie)氧(yang)不(bu)足和(he)(he)有(you)(you)機(ji)(ji)物濃(nong)度(du)過(guo)高等幾(ji)種觀(guan)點。試驗中(zhong)提高HRT沒有(you)(you)改變(bian)溫度(du)和(he)(he)pH,所以不(bu)會影響游離氨濃(nong)度(du),而供氣量是(shi)氣水比(bi)(bi)(bi)供給,隨HRT減少(shao)而不(bu)斷提高的(de)(de),出水的(de)(de)溶解(jie)氧(yang)也比(bi)(bi)(bi)較(jiao)穩定。因此推測認為(wei),因縮短HRT而增加(jia)的(de)(de)有(you)(you)機(ji)(ji)負(fu)荷才是(shi)促成亞(ya)(ya)硝酸鹽(yan)(yan)積累(lei)的(de)(de)主要(yao)原因。Sharma等認為(wei),有(you)(you)機(ji)(ji)負(fu)荷對亞(ya)(ya)硝態氮氧(yang)化細菌(jun)的(de)(de)活(huo)性有(you)(you)抑制作用。
在(zai)(zai)生(sheng)(sheng)(sheng)(sheng)物(wu)(wu)(wu)(wu)(wu)膜(mo)體系中,異養菌(jun)(jun)(jun)和氨(an)(an)氧(yang)(yang)(yang)化(hua)細(xi)菌(jun)(jun)(jun)對氧(yang)(yang)(yang)的爭奪能(neng)(neng)力(li)(li)都強于(yu)(yu)硝(xiao)(xiao)化(hua)細(xi)菌(jun)(jun)(jun),故硝(xiao)(xiao)化(hua)細(xi)菌(jun)(jun)(jun)的代謝(xie)(xie)優(you)勢區(qu)(qu)域(yu)(yu)只能(neng)(neng)存在(zai)(zai)于(yu)(yu)亞(ya)硝(xiao)(xiao)酸(suan)(suan)鹽濃度(du)(du)(du)和溶(rong)解氧(yang)(yang)(yang)較(jiao)(jiao)高(gao),而(er)有(you)機物(wu)(wu)(wu)(wu)(wu)和氨(an)(an)氮(dan)濃度(du)(du)(du)較(jiao)(jiao)低(di)的區(qu)(qu)域(yu)(yu)。當主體相溶(rong)解氧(yang)(yang)(yang)較(jiao)(jiao)低(di),生(sheng)(sheng)(sheng)(sheng)物(wu)(wu)(wu)(wu)(wu)膜(mo)擴散(san)阻力(li)(li)較(jiao)(jiao)大,而(er)氨(an)(an)氮(dan)和有(you)機物(wu)(wu)(wu)(wu)(wu)濃度(du)(du)(du)較(jiao)(jiao)高(gao)時(shi),受供氧(yang)(yang)(yang)限制(zhi)(zhi),硝(xiao)(xiao)化(hua)細(xi)菌(jun)(jun)(jun)的代謝(xie)(xie)活性(xing)將受到(dao)抑制(zhi)(zhi),因此氨(an)(an)氧(yang)(yang)(yang)化(hua)產物(wu)(wu)(wu)(wu)(wu)會被反硝(xiao)(xiao)化(hua)細(xi)菌(jun)(jun)(jun)直(zhi)接用于(yu)(yu)反硝(xiao)(xiao)化(hua)過(guo)(guo)程。當縮(suo)短HRT時(shi),進(jin)(jin)水(shui)(shui)有(you)機物(wu)(wu)(wu)(wu)(wu)量增(zeng)加(jia),異養菌(jun)(jun)(jun)生(sheng)(sheng)(sheng)(sheng)長(chang)迅(xun)速,生(sheng)(sheng)(sheng)(sheng)物(wu)(wu)(wu)(wu)(wu)膜(mo)量增(zeng)加(jia),水(shui)(shui)頭損失加(jia)快,曝氣生(sheng)(sheng)(sheng)(sheng)物(wu)(wu)(wu)(wu)(wu)濾池在(zai)(zai)運行過(guo)(guo)程中必須頻繁(fan)地(di)進(jin)(jin)行反沖洗以(yi)(yi)恢復過(guo)(guo)水(shui)(shui)通量,以(yi)(yi)除去(qu)多(duo)余的生(sheng)(sheng)(sheng)(sheng)物(wu)(wu)(wu)(wu)(wu)膜(mo)和截(jie)留的SS,使反應器內的微生(sheng)(sheng)(sheng)(sheng)物(wu)(wu)(wu)(wu)(wu)處于(yu)(yu)一(yi)種(zhong)周期(qi)性(xing)變化(hua)的環(huan)境中,由于(yu)(yu)氨(an)(an)氧(yang)(yang)(yang)化(hua)細(xi)菌(jun)(jun)(jun)在(zai)(zai)氧(yang)(yang)(yang)飽和常數、基(ji)質供應等方(fang)面的優(you)勢,在(zai)(zai)這種(zhong)反復沖洗的振蕩生(sheng)(sheng)(sheng)(sheng)態(tai)條件下,要(yao)比硝(xiao)(xiao)化(hua)細(xi)菌(jun)(jun)(jun)更容易建立和形(xing)成穩定的生(sheng)(sheng)(sheng)(sheng)態(tai)群系,進(jin)(jin)而(er)表現出亞(ya)硝(xiao)(xiao)酸(suan)(suan)鹽積累的現象。
![]() |
與其他過濾(lv)(lv)工藝(yi)一樣,曝(pu)氣(qi)生物(wu)濾(lv)(lv)池的(de)(de)過濾(lv)(lv)周(zhou)期也(ye)是(shi)最(zui)主(zhu)要的(de)(de)技術參數之一。試驗中以水頭損失(shi)增加至(zhi)120cm作為過濾(lv)(lv)周(zhou)期終(zhong)點(dian),考察了HRT與過濾(lv)(lv)周(zhou)期的(de)(de)關(guan)系(xi),結果(guo)見圖6。從(cong)圖6可以清楚地看到(dao),曝(pu)氣(qi)生物(wu)濾(lv)(lv)池的(de)(de)HRT與過濾(lv)(lv)周(zhou)期表現出明顯的(de)(de)正線性關(guan)系(xi),其相關(guan)關(guan)系(xi)式為H=38.951×HRT+5.1645,R2=0.9947。隨(sui)著HRT的(de)(de)增加,反應器的(de)(de)過濾(lv)(lv)周(zhou)期也(ye)逐漸提(ti)高,當(dang)HRT為0.4h時,運(yun)行18h水頭損失(shi)即(ji)達(da)到(dao)120cm,而處理出水的(de)(de)水質也(ye)較差(cha)。
顯然,僅(jin)就過(guo)濾(lv)(lv)(lv)周期(qi)而言,利用(yong)曝氣生(sheng)物(wu)(wu)濾(lv)(lv)(lv)池處(chu)理生(sheng)活污水時所采(cai)用(yong)的HRT不宜低于0.8h。縮短HRT對(dui)過(guo)濾(lv)(lv)(lv)周期(qi)的影響主要(yao)體現在兩個方面:一(yi)是同(tong)時增加(jia)(jia)了有(you)機(ji)物(wu)(wu)負荷和懸浮物(wu)(wu)負荷,使(shi)濾(lv)(lv)(lv)層內單位時間截污量增加(jia)(jia);二是加(jia)(jia)快了微生(sheng)物(wu)(wu),尤其是異養菌的增殖速(su)(su)度,生(sheng)物(wu)(wu)膜厚度增加(jia)(jia),加(jia)(jia)之剪切力加(jia)(jia)大,使(shi)生(sheng)物(wu)(wu)膜更新速(su)(su)度加(jia)(jia)快,反應器內的總生(sheng)物(wu)(wu)量迅速(su)(su)增加(jia)(jia)。以上兩方面綜合作的結(jie)果使(shi)水頭損(sun)失迅速(su)(su)增加(jia)(jia),過(guo)濾(lv)(lv)(lv)周期(qi)變短。
3 結 論
(1)HRT對曝氣生物濾池的處理效能有顯著的影響,延長HRT可以有效地提高反應器的處理效率。當HRT大于0.8h時,反應器對有機物、濁度的去除效果較好;當HRT降至0.6h以下時,反應器對有機物、濁度的處理效果顯著下降。而反應器的硝化脫氮效能的有效發揮則需要保持HRT大于
1.25h。
(2)縮(suo)短HRT會(hui)促進反應(ying)器中亞硝酸鹽積累(lei)現象(xiang)的(de)發生,當(dang)HRT為0.4h時,亞硝酸鹽積累(lei)現象(xiang)明顯。
(3)HRT與曝氣生物濾(lv)(lv)池的過濾(lv)(lv)周期呈明(ming)顯(xian)的線性相關(guan)關(guan)系,即縮短(duan)HRT,將加快(kuai)水頭(tou)損失增加速度(du),縮短(duan)運(yun)行周期,其相關(guan)性方程(cheng)為過濾(lv)(lv)周期

使用微信“掃一掃”功能添加“谷騰環保網”