熱電廠循環水工業水系統技術改造方案
1 前言
山東景芝集團有限公司熱電廠主機為雙爐(20t/h)一機(3000kW),其中汽輪機為純背壓式, 改造前循環水工業水系統設計不合理,很容易在換熱器表面上結垢,影響介質之間的換熱。
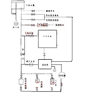
改造前循環水工業水系統見圖1。通過水質分析和多年的運行經驗,改造前系統 存在以下不足:
![]() |
a.取樣冷卻器的冷卻回水沒有經過涼水塔降溫,直接進入回水井,回水井容量較小(20m3),導致循環水溫度較高,容易形成水垢聚附于換熱設備及管壁上,嚴重阻礙了水與介質 的熱量傳遞,被冷卻介質溫度較高,不能保證正常生產,只好采用從回水井內排掉部分高溫 水、補充地下水的半敞開方式保證冷卻效果,排水量達28m3/h,大量浪費了水資源。
b.換熱設備及管道結垢嚴重,一年進行兩次酸洗。對設備使用年 限和安全生產都非常不利。
c.工業水泵、工業水箱及自投裝置作備用設備,只在停機后發揮作用,使用時間較短,設 備未得到充分利用。
d.引風機、給水泵等冷卻水直接外排,沒有循環利用。
2 改造特點
2.1 改造后系統圖改造后系統如圖2所示。
![]() |
2.2 運行特點
循環水通過循環水泵,經空冷器、冷油器、取樣冷卻器、涼水塔回到回水井,組成獨 立循環系統。其他冷卻水由工業水泵提供,循環水補充水來自給水泵、引風機冷卻回水, 不足部分由中央水池提供。停機時,開啟聯絡門,由工業水泵提供全部冷卻用水。
2.3 循環水加藥處理
加入硫酸,消除水中堿度,將碳酸鹽硬度變為非碳酸鹽硬度。
H2SO4+Ca(HCO3)2=CaSO4+2CO2↑+2H2O
加入水質阻垢劑HEDP,使水中硬度成分難以在換熱設備表面上聚附。
定期加入漂白粉,殺死水中有機物。
2.4 控制指標
通過加入硫酸量控制循環水PH值在7.5~8.5。
通過改變水質阻垢劑量控制循環水中在3.0~5.0mg/L。
通過更換新水控制循環水濃縮倍數K≤3。
3 改造結果
a.保證了換熱設備的正常運轉,達到良好的換熱冷卻效果。
b.換熱設備勿需酸洗除垢,延長了設備的使用壽命,降低了維修強度及費用。
c.節水效果顯著,改造前耗水量28m3/h,改造后耗水量8.5m3/h(其中循環水消耗量為 0.5m3/h)。
d.改造后循環水加藥每年所需費用約0.3萬元,每年節省水費18萬元,污水處理費9 萬元,電費0.7萬元,設備損耗費1萬元,年節支28.4萬元。

使用微信“掃一掃”功能添加“谷騰環保網”