焦爐煤氣凈化系統的氨硫改造
摘要:本文分析了公司煤氣凈化系統脫硫開工后的運行現狀及初次改造后的運行情況,詳細介紹了煤氣凈化系統煤氣脫硫改造的方法和措施,濕法脫硫的具體的工藝及相關催化劑的選擇與應用。
青島煤制氣二期工程煤氣凈化中的氨硫工藝是和AS脫硫工藝配套的,AS是德國克虜伯-考伯斯公司(KK)公司的一套煤氣處理技術與裝置,是以洗氨為基礎進行脫硫的,以煤氣中的氨為堿源,吸收煤氣中H2S,得到的氨硫富液去脫酸蒸氨,在脫酸塔內, 富液中的揮發氨鹽發生分解從塔頂蒸出含H2S、HCN、CO2的混合酸氣去克勞斯爐焚燒,在催化劑的作用下H2S被氧化成SO2,在經過兩段反應后最終SO2分解為S,得到產品硫磺。在固定銨及揮發氨得到的氨氣直接去氨分解爐焚燒,得到的H2、N2等低熱值煤氣去吸煤氣管道。固定銨塔底的廢水去生化處理,揮發氨塔得到的汽提水直接去脫除煤氣中的H2S。
工藝流程如下:
![]() |
揮發氨蒸餾塔頂95℃的氨氣去脫酸塔作為熱源。
固定銨蒸餾塔頂85℃的氨氣去氨分解爐,分解為低熱值煤氣。
而脫酸塔頂70℃的酸氣約552kg/h(其中硫化氫約177kg/h)進克勞斯爐反應后,回收硫磺。
一、氨硫工藝開工后運行現狀、評價及改造原因
(一)開工后的生產狀況:
AS循環脫硫洗氨系統本來的設計非常巧妙,但是要求的工藝條件非常的嚴格,其脫硫效率有一定的局限性,因其設備少,流程短,工藝系統性極強,塔與塔之間、同一塔上下段相互依賴相互制約的特點非常突出,設備腐蝕嚴重,廢水處理量大,更為重要的是進克勞斯爐的酸氣濃度要求>50%(V),這對于普遍采用低硫煤的焦化公司來說是一個嚴重的工藝缺陷,由于設計荒煤氣進硫化氫洗滌塔時H2S含量是按7g/m3計算的。但由于我們煉焦用的原料煤為低硫煤,煤氣產量僅為設計的50%左右,造成脫酸塔頂酸氣進克勞斯爐時的硫化氫平均量僅為15Kg/h上下,使克勞斯硫回收系統物料嚴重不足,熱容量大幅下降,在加上相關設備與管路保溫不合設計要求,克勞斯爐尾氣分析儀又不好用,造成尾氣S蒸汽變為液相凝固后堵塞管道,使整個系統無法正常運行。雖然集團公司2002年利用技改資金進行了工藝調整,將原先的AS系統改為氨分解回收低熱值煤氣工藝,但仍存在較大問題,
具體工藝如下:
![]() |
(二)第一次工藝改造運行評價
A改造后運行工藝是一種全封閉工藝,完全滿足環保要求,整個工藝中無廢氣外排,產生的廢水量可直接進入生化處理。
B氨汽、酸汽混和經氨分解爐后,氨汽分解率>99%,控制好煤氣與空氣燃燒比例后,H2S廢氣幾乎不產生強酸性的SO2,仍是H2S狀態,廢氣含氧<1%。完全滿足正常的工藝運行。
C運行后,尾氣系統未發現出現硫磺堵塞現象。
D干法脫硫后,煤氣中硫化氫降至20mg以下,脫硫效率在99%以上。
(三)生產過程中對工藝的評價及繼續改造的原因
A在這種工藝運行條件下,2002年僅僅生產了20多天,同以前的AS工藝相比,干法脫硫前煤氣硫化氫含量為以前的500mg/m3增長至5000mg/m3左右,干法脫硫負荷過大,脫硫劑更換頻率縮短至16.7天/次,生產上無法適應如此快的更換頻率(每次更換120噸,更換期最短為20天)。
B由于干法脫硫前煤氣硫化氫含量過高(干法脫硫為精脫硫,適用于1g/m3左右及以下煤氣凈化),造成脫硫塔內脫硫劑反應與還原速度不相匹配,使脫硫劑消耗不完全,加之目前的脫硫塔為2塔并聯,無法串聯操作,更加惡化了脫硫劑的使用,實際120噸脫硫劑消耗周期只有10天左右,造成了脫硫劑的浪費,脫硫劑年耗量在3000噸以上。
C回爐煤氣硫化氫含量過高,更加惡化了廢氣系統的操作條件,工藝正常運行后,廢氣中夾帶水份的pH酸性太強,pH值在4左右,增加了廢氣風機葉輪和其它相接觸的金屬構件的腐蝕,全年廢氣系統停產檢修時間累計為20-30天,造成的間接損失過大。
D改造后的AS工藝未投入運行, 硫化氫的脫除完全依靠干式脫硫塔。 每年的更換費用為160萬元。而且由于水洗氨產生的大量廢水中COD、氨氮過高,無法處理,造成環境污染。
二、氨硫改造的具體指導方案
(一)濕式氧化法脫除H2S適用的工藝條件
濕式氧化法脫除H2S是將H2S在液相中氧化成元素S的一種方法,這種方法的流程比較簡單,可直接得到元素S。目前是我國比較成熟可靠的脫硫方法,主要適應處理濃度H2S<10t/d,缺點是硫容量較低,因此溶液循環量大和回收硫的處理設備大。具體到我們焦化公司產氣量按30℃時最大值27000Nm3/h計算,H2S的含量按最大值7g/Nm3計算,H2S每天的處理量在4.5 t左右,所以在工藝條件上是合適的。在工藝流程方面,不管催化劑是ADA、HPF、 PDS、Tv、888等,濕式氧化法本身工藝流程與改良ADA完全相同的流程,工藝方面已經成熟,唯一的比較大的區別是焦爐煤氣的前脫硫與后脫硫問題。焦爐煤氣組分復雜,特別是其中含大量的焦油、萘等,一般是經終冷后進行脫氨、脫粗苯,再用堿液脫硫、脫氰,俗稱后脫硫. 后脫硫的最大優點是由于沒有其它雜質的影響,產出的硫磺質量較好。如終冷后首先用焦爐煤氣中自帶的氨作堿源進行脫硫、脫氰,俗稱前脫硫。前脫硫最大優點是能夠充分利用煤氣中的堿源,同時又為后工序創造良好條件。根據我公司實際工藝情況,同時還有后精脫硫工序,而且前脫硫節約堿源,所以改造時采用前脫硫工藝。
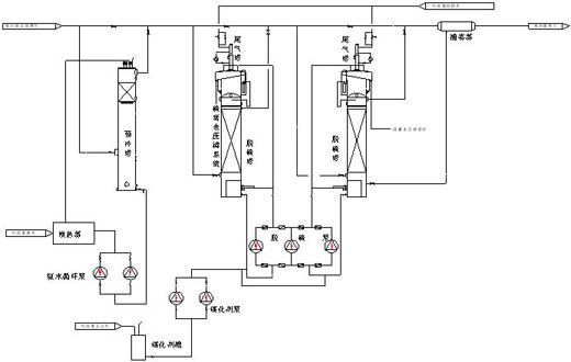
(二)改造后典型的濕式氧化工藝流程圖
![]() |
(三)濕式氧化法脫除H2S工藝催化劑的選擇
1.改造后的工藝流程簡述
由煤氣鼓風機來的煤氣首先進入煤氣預冷塔底部,被塔中部的由氨水循環泵提供的冷態氨水噴淋降溫,然后進入煤氣預冷塔上部,在上部,由氨水循環泵提供的冷態氨水進行噴淋,煤氣和填料充分接觸后,被冷卻至30-35℃左右,煤氣直接進入脫硫塔。
吸收了熱量的氨水用泵抽出后首先進入氨水冷卻器,用海水間接冷卻后分別送入煤氣預冷塔的上部和中部,與煤氣逆向接觸,噴淋降溫。在冷卻過程中,煤氣中的水分和萘被冷凝下來,為保持平衡,多余的氨水被切換至氨水分離器。在預冷塔頂部的煤氣出口設有捕霧器,除去煤氣夾帶的霧滴。為防止捕霧器的堵塞,定期用氨水噴淋捕霧網。在冬季,煤氣溫度低于35℃,煤氣可通過旁通直接進入脫硫塔。
冷卻后的煤氣首先進入一級脫硫再生塔的脫硫段下方,并沿脫硫段自下而上與頂部噴淋的脫硫液逆流接觸,進行一級液相催化氧化的化學吸收過程,將煤氣中的大部分硫化氫吸收在脫硫液中,吸收了硫化氫的脫硫液通過塔底的煤氣液封后,由溶液循環泵送到脫硫再生塔頂部,液體高速通過自吸式噴射器后產生負壓,吸入空氣后氣液兩相充分接觸進行氧化再生,再生后的脫硫液經液位調節器后自流入脫硫再生塔與煤氣逆流接觸,循環使用。從一級脫硫塔出來的煤氣進入二級脫硫塔,硫化氫的吸收過程同一級脫硫塔。為保證催化劑的濃度,采用連續補加少量催化劑的方法,用計量泵將催化劑加入脫硫液循環泵的出口管道。在脫硫塔內,未被完全氧化的硫氫根離子與氧氣接觸后會產生鹽類,主要以硫代硫酸鹽為主,為防止鹽類的積聚影響脫硫效果,必須定期排出一定量的溶液。
從脫硫再生塔頂部擴大部分溢出的硫泡沫自流入硫泡沫槽,經過液位調節器的調節后清液返回脫硫塔底,硫泡沫被槽內的攪拌器充分攪拌均勻后,根據液位間歇用螺桿泵抽出至板框壓濾機過濾掉多余的水分后,硫膏被人工卸出,包裝后外賣。
2007年底改造投入運行后,煤氣經濕法脫硫后煤氣在濕法脫硫塔后含硫化氫一直穩定在200-300mg/m3以下,再經過洗氨、洗苯、洗萘后,再經過干法脫硫后煤氣含硫化氫在20mg/m3以下。
2.有關催化劑的選擇問題
A.HPF法
HPF本身是一種脫硫催化劑的商品名稱,其中H代表對苯二酚,P代表“PDS”,F代表FeSO4,HPF脫硫法是液相催化氧化法,用HPF作催化劑,以氨水做氧化劑,加入一定量的鐵鹽,在脫硫和氧化兩個過程都有催化作用,但從HPF的組成來說HPF本身包含“PDS”。山西xx公司焦化廠采用濕式氧化法前脫硫工藝,煤氣經初冷、鼓風、預冷后進行脫硫,和我公司的煤氣流程相似,催化劑采用HPF,開工半年后運行的脫硫效率在95%以上,產生的兩鹽廢水較少,可直接摻混到煤場,但從現場的運行情況來看,雖然液相輸送管道采用白鋼,但仍有腐蝕。雖然介紹HPF不產生腐蝕,但由于對苯二酚的穩定性較差,苯環上的氫易與雙氧水反應產生腐蝕酸,使氧化能力迅速下降,對苯二酚易自己聚合反應而造成損失,因此脫硫液中的對苯二酚含量需嚴格控制,且對苯二酚氧化HS—的反應速度較慢,當反應量不足,大量的HS—進入再生器,氧化生成硫代硫酸鹽,造成副反應高,硫回收量低。HPF法采用與改良ADA完全相同的工藝流程。
B.栲膠法(TV)
栲膠法是我國使用最多的脫硫方法, 栲膠法主要有堿性栲膠脫硫(以橡栲膠和偏釩酸鈉作催化劑)和氨法栲膠(以氨代替堿)兩種。
栲膠是植物的提取固體物,主要成分為丹寧,是化學結果十分復雜的化合物。栲膠法溶液的主要組分是堿度、NaVO3、栲膠。曲靖大為焦化制氣公司采用PDS+栲膠,脫硫效果98%,運行穩定。
栲膠是野生植物,資源豐富,無毒,價廉易得,因而運行費用比HPF、ADA低。栲膠法脫硫沒有硫堵塔問題。栲膠法脫硫栲膠需要預處理才能添加到系統中去,否則會造成嚴重的溶液發泡。栲膠脫硫腐蝕性小,但隨著溶液中的副反應物和其他的雜質的增加,溶液的腐蝕性增加,其中硫酸鈉含量高是造成腐蝕的主要因素。
C.PDS法
PDS本身也是一種脫硫催化劑的商品名稱,主要成分是酞菁鈷磺酸鹽金屬有機化合物,可加入到氨水或堿性溶液中進行氣體脫硫,目前我國有上百家公司用PDS進行濕式氧化法進行脫硫。
PDS法工藝特點
通過考察發現PDS法目前在工業上一般與ADA、栲膠及HPF配合使用,PDS可與其它化合物配合成活性更好的催化劑,只需在原溶液中加入微量的PDS即可,因此消耗費用較低。PDS活性好,用量少,消耗低。在脫硫工藝中, PDS的濃度僅為10—15PPm,且1kgPDS可脫除H2S 3.4噸。PDS比ADA及栲膠節約催化劑成本30-40%。脫硫過程中生成單體硫易分離,硫磺不堵塔。硫代硫酸鹽、硫氰酸鹽不會大量積累(不生成硫酸鹽),廢液可控制不排放。
PDS無毒,脫硫液對設備腐蝕較輕。
各種催化劑的參數比較
|
D.“888”法
“888” 本身也是一種脫硫催化劑的商品名稱,是東北師范大學研制,同PDS的脫硫機理一樣,PDS的主要成分為雙核酞菁鈷類,“888”是PDS的升級產品,具有載氧量大、廢水產生量少,對設備腐蝕性小等優點,“888”是一種新型改進型的催化劑,比PDS具有更高的活性,單獨使用888催化劑更佳。“888”廣泛用于化肥行業。采用“888” 催化劑,H2S氧化后產物為多硫,硫容兼有洗塔作用,脫硫液含懸浮硫量低,同時多硫化物酸性強于硫化氫,對塔中的硫垢有清洗作用。“888” 催化劑能在催化劑濃度極低的情況下(ppm),快速、高效地完成脫硫反應。
(四)濕式氧化法脫除H2S與公司現有的工藝流程的銜接
1.煤氣中H2S的脫除,采用本次改造的工藝即濕式氧化工藝。
2.煤氣中NH3的脫除,利用老系統中的蒸氨工藝產生的廢水進行脫除(與AS法中氨的脫除工藝相同)。
3.脫除H2S所用的堿源同AS法一樣,不需要額外的堿源,而是利用系統本身(預冷塔)產生的氨水。煤氣系統中產生的氨水為稀氨水,揮發氨含量在4-7g/l.
(五)工藝運行評價
濕式氧化工藝能否達到合適的脫硫效率,如98%的脫硫效率,必須從關鍵工藝參數能否保證方面來看。
1.煤氣溫度。濕式氧化工藝要求的煤氣溫度在27-30℃,而煤氣鼓風機后煤氣溫度有10-15℃的差別,因此本工藝中增加了煤氣預冷設施,需要換熱面積在600m2左右的間冷預冷器,可將煤氣溫度降到合適的要求范圍內。
2.煤氣中氨硫比。為保證足夠的脫硫效率,必須有足夠的氣相氨硫比,現在的煤氣系統中,氣相氨硫比0.6—1.4之間波動,為控制好煤氣中足夠的氨硫比,可通過穩定煤氣初冷器的操作,使初冷器后煤氣溫度控制在適當偏高的22--25℃的范圍內。可保證氨硫比>1或大于1,基本可保證98%的脫硫效率。
3.脫硫液的質量。為保證脫硫液中H2S分子的充分解離,脫硫液必須有足夠的堿度,即脫硫液pH值在8-9左右,可保證95%左右的分子解離。
4.濕式氧化工藝的關鍵設備,脫硫塔和再生槽使用比較成熟。
因此,關鍵部分控制好,可使煤氣中H2S的脫除效率保持在98%以上,高于A.S法循環洗滌中90%的脫硫效率。
(六)環保評價
整個濕式氧化工藝中不存在氣相污染。
在本工藝中,因為煤氣中組份的復雜,溫度控制等因素,難免發生副反應,而副反應產物(主要為硫代硫酸氨和硫氰酸氨)在脫硫液中的積累,勢必影響到脫硫液中催化劑的活性,因此必須進行脫硫液的外排,產生相應的廢水,這是客觀存在的。關鍵在于選擇合適的催化劑,嚴格操作來抑制副反應的發生,使廢水的產生量控制在最低限度。通過合適的調整后,本工藝產生的廢水量約生產1噸硫磺產生0.5噸廢水,全年可產生400—500噸廢水,廢水的總量比較小,可通過集中排放煤場或進入熄焦水池,達到廢水零排放。
采用本工藝后,干式脫硫塔更換脫硫劑每年減為一次,即可保證外供城市煤氣硫含量要求,大大減少了固體廢脫硫劑的排放,每年減少約900噸。
(七)運行成本及效益估算
|
雖然經濟是負效益,但環保效益明顯,同時與干塔脫硫相比,從干塔脫硫劑更換上看,每年節約脫硫劑更換費用142萬元。
(八)運行數據
|
通過以上實際運行的部分數據看出, 濕法脫硫系統運行穩定,兩鹽含量基本維持在250(g/L)以下。產生的脫硫液廢水排放到煤場,對原料煤加濕保證入爐煤水份(每天1噸左右)。由于電捕焦油器運行良好,所以硫膏的顏色比較純正,每天保持在2噸以上的產量。催化劑采用長春東獅科貿實業有限公司東北師范大學實驗化工廠的“888”,開工以來設備腐蝕少,維修工作量少,廢水產生量少,徹底解決了公司的氨硫改造難題。

使用微信“掃一掃”功能添加“谷騰環保網”