超重力場中氮氧化物廢氣治理技術
更新時間:2009-06-18 16:24
來源:山西省超重力化工工程技術研究中心
作者:
閱讀:2286
內容提供:山西省超重力化工工程技術研究中心
![]() |
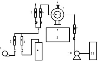
火炸藥和有機化工生產的硝化過程產生的硝煙氣體含大量的氮氧化物,NOx對人體危害極大,傳統的硝煙處理是利用常規的吸收塔,以水作為吸收劑進行吸收處理,系統投資大,占地面積大,操作費用高,吸收效率低。本研究中心在超重力法煙氣脫硫除塵研究成果的基礎上,研究開發的超重力法處理NOx的技術,在較低的液氣比條件下,有效去除硝煙尾氣中NOx,床層的壓降僅為吸收塔的1/5左右,操作費用降低。設備體積僅為吸收塔1/8、重量減輕、設備及基建費用減少。
聲明:轉載此文是出于傳遞更多信息之目的。若有來源標注錯誤或侵犯了您的合法權益,請作者持權屬證明與本網聯系,我們將及時更正、刪除,謝謝。

使用微信“掃一掃”功能添加“谷騰環保網”