石灰石-濕法脫硫裝置及濕式球磨機系統漿液密度自動控制
以廣東河源電廠脫硫濕式(shi)球磨(mo)機(ji)漿液(ye)密(mi)度(du)的自動調(diao)節為(wei)核心(xin)內容,介紹了石灰石漿液(ye)制作的流程,PID調(diao)節原理及(ji)濕式(shi)球磨(mo)機(ji)漿液(ye)密(mi)度(du)調(diao)節參數如何設置等進(jin)行(xing)(xing)講述和探討,減少運(yun)(yun)行(xing)(xing)人員在磨(mo)機(ji)系(xi)統運(yun)(yun)行(xing)(xing)中對(dui)漿液(ye)密(mi)度(du)的人為(wei)干擾,較好控(kong)制了石灰石成品漿液(ye)品質(zhi)。
關鍵詞:脫硫(liu)、球磨機、漿液密度、自動(dong)控制
在發電(dian)廠(chang)煙氣脫(tuo)(tuo)硫系(xi)(xi)統中,濕式球磨(mo)機(ji)系(xi)(xi)統的(de)作用是將(jiang)石(shi)(shi)灰石(shi)(shi)顆粒磨(mo)制成脫(tuo)(tuo)硫所需的(de)石(shi)(shi)灰石(shi)(shi)漿液,因石(shi)(shi)灰石(shi)(shi)分布廣且(qie)價格便宜(yi),所以(yi)濕式球磨(mo)機(ji)系(xi)(xi)統在電(dian)廠(chang)中被廣泛采用。
首先,簡要介紹一下石(shi)(shi)(shi)(shi)(shi)灰(hui)(hui)(hui)(hui)(hui)(hui)石(shi)(shi)(shi)(shi)(shi)進入(ru)電廠到(dao)磨(mo)(mo)制成(cheng)漿(jiang)液的(de)(de)流(liu)程,石(shi)(shi)(shi)(shi)(shi)灰(hui)(hui)(hui)(hui)(hui)(hui)石(shi)(shi)(shi)(shi)(shi)通過(guo)卡車拉(la)至石(shi)(shi)(shi)(shi)(shi)灰(hui)(hui)(hui)(hui)(hui)(hui)石(shi)(shi)(shi)(shi)(shi)上料(liao)(liao)系統的(de)(de)振(zhen)動(dong)篩(shai),卡車將(jiang)石(shi)(shi)(shi)(shi)(shi)灰(hui)(hui)(hui)(hui)(hui)(hui)石(shi)(shi)(shi)(shi)(shi)倒入(ru)振(zhen)動(dong)篩(shai)內,振(zhen)動(dong)篩(shai)通過(guo)振(zhen)動(dong)篩(shai)選出合格的(de)(de)石(shi)(shi)(shi)(shi)(shi)灰(hui)(hui)(hui)(hui)(hui)(hui)石(shi)(shi)(shi)(shi)(shi)進入(ru)料(liao)(liao)斗,然后通過(guo)振(zhen)動(dong)給料(liao)(liao)機將(jiang)料(liao)(liao)斗的(de)(de)石(shi)(shi)(shi)(shi)(shi)灰(hui)(hui)(hui)(hui)(hui)(hui)石(shi)(shi)(shi)(shi)(shi)送入(ru)斗式(shi)提升機掉入(ru)石(shi)(shi)(shi)(shi)(shi)灰(hui)(hui)(hui)(hui)(hui)(hui)石(shi)(shi)(shi)(shi)(shi)倉,在石(shi)(shi)(shi)(shi)(shi)灰(hui)(hui)(hui)(hui)(hui)(hui)石(shi)(shi)(shi)(shi)(shi)倉底設置有變頻稱重皮帶給料(liao)(liao)機,將(jiang)石(shi)(shi)(shi)(shi)(shi)灰(hui)(hui)(hui)(hui)(hui)(hui)石(shi)(shi)(shi)(shi)(shi)送入(ru)濕(shi)式(shi)球(qiu)磨(mo)(mo)機,在濕(shi)式(shi)球(qiu)磨(mo)(mo)機內用鋼球(qiu)將(jiang)石(shi)(shi)(shi)(shi)(shi)灰(hui)(hui)(hui)(hui)(hui)(hui)石(shi)(shi)(shi)(shi)(shi)與加入(ru)的(de)(de)水混(hun)合磨(mo)(mo)制成(cheng)石(shi)(shi)(shi)(shi)(shi)灰(hui)(hui)(hui)(hui)(hui)(hui)石(shi)(shi)(shi)(shi)(shi)漿(jiang)液,然后流(liu)入(ru)漿(jiang)液循環(huan)箱,通過(guo)循環(huan)泵(beng)打入(ru)石(shi)(shi)(shi)(shi)(shi)灰(hui)(hui)(hui)(hui)(hui)(hui)石(shi)(shi)(shi)(shi)(shi)漿(jiang)液旋流(liu)器分(fen)配,將(jiang)合格的(de)(de)漿(jiang)液分(fen)配至成(cheng)品(pin)漿(jiang)液箱,不合格的(de)(de)分(fen)配至磨(mo)(mo)機重新磨(mo)(mo)制。
在磨(mo)(mo)(mo)機(ji)(ji)循(xun)(xun)環(huan)泵出(chu)口(kou)的(de)循(xun)(xun)環(huan)管(guan)(guan)路上(shang)設(she)(she)有(you)一段(duan)旁(pang)路管(guan)(guan)路,在這(zhe)段(duan)旁(pang)路管(guan)(guan)路上(shang)安裝有(you)密(mi)(mi)(mi)度(du)(du)(du)(du)計,磨(mo)(mo)(mo)機(ji)(ji)系統就是(shi)通過(guo)這(zhe)只密(mi)(mi)(mi)度(du)(du)(du)(du)計控(kong)制(zhi)(zhi)旋流(liu)器分配至成(cheng)(cheng)品(pin)(pin)漿(jiang)(jiang)(jiang)液(ye)(ye)(ye)(ye)(ye)箱(xiang)(xiang)的(de)漿(jiang)(jiang)(jiang)液(ye)(ye)(ye)(ye)(ye)密(mi)(mi)(mi)度(du)(du)(du)(du),循(xun)(xun)環(huan)管(guan)(guan)內的(de)漿(jiang)(jiang)(jiang)液(ye)(ye)(ye)(ye)(ye)密(mi)(mi)(mi)度(du)(du)(du)(du)與成(cheng)(cheng)品(pin)(pin)漿(jiang)(jiang)(jiang)液(ye)(ye)(ye)(ye)(ye)密(mi)(mi)(mi)度(du)(du)(du)(du)有(you)著對應(ying)關系,以廣東河(he)源(yuan)電(dian)廠濕式球(qiu)磨(mo)(mo)(mo)機(ji)(ji)為(wei)例,正(zheng)常(chang)情況下成(cheng)(cheng)品(pin)(pin)漿(jiang)(jiang)(jiang)液(ye)(ye)(ye)(ye)(ye)的(de)密(mi)(mi)(mi)度(du)(du)(du)(du)控(kong)制(zhi)(zhi)在1220kg/m3左(zuo)(zuo)右,此(ci)時(shi)需(xu)將漿(jiang)(jiang)(jiang)液(ye)(ye)(ye)(ye)(ye)循(xun)(xun)環(huan)管(guan)(guan)漿(jiang)(jiang)(jiang)液(ye)(ye)(ye)(ye)(ye)的(de)密(mi)(mi)(mi)度(du)(du)(du)(du)控(kong)制(zhi)(zhi)在1450 kg/m3左(zuo)(zuo)右,旋流(liu)器入口(kou)壓(ya)力為(wei)120kpa。密(mi)(mi)(mi)度(du)(du)(du)(du)左(zuo)(zuo)右偏差不宜(yi)超過(guo)30 kg/m3,漿(jiang)(jiang)(jiang)液(ye)(ye)(ye)(ye)(ye)循(xun)(xun)環(huan)管(guan)(guan)的(de)密(mi)(mi)(mi)度(du)(du)(du)(du)過(guo)大,成(cheng)(cheng)品(pin)(pin)漿(jiang)(jiang)(jiang)液(ye)(ye)(ye)(ye)(ye)的(de)顆(ke)粒度(du)(du)(du)(du)就會(hui)(hui)變(bian)大,還(huan)會(hui)(hui)造成(cheng)(cheng)管(guan)(guan)道堵塞,漿(jiang)(jiang)(jiang)液(ye)(ye)(ye)(ye)(ye)循(xun)(xun)環(huan)管(guan)(guan)漿(jiang)(jiang)(jiang)液(ye)(ye)(ye)(ye)(ye)的(de)密(mi)(mi)(mi)度(du)(du)(du)(du)過(guo)小,又(you)會(hui)(hui)影響成(cheng)(cheng)品(pin)(pin)漿(jiang)(jiang)(jiang)液(ye)(ye)(ye)(ye)(ye)的(de)濃度(du)(du)(du)(du),降低磨(mo)(mo)(mo)機(ji)(ji)出(chu)力,因此(ci)需(xu)要(yao)控(kong)制(zhi)(zhi)循(xun)(xun)環(huan)箱(xiang)(xiang)補水(shui)流(liu)量(liang)來控(kong)制(zhi)(zhi)漿(jiang)(jiang)(jiang)液(ye)(ye)(ye)(ye)(ye)循(xun)(xun)環(huan)管(guan)(guan)漿(jiang)(jiang)(jiang)液(ye)(ye)(ye)(ye)(ye)密(mi)(mi)(mi)度(du)(du)(du)(du)在一個合(he)理范圍,保證成(cheng)(cheng)品(pin)(pin)漿(jiang)(jiang)(jiang)液(ye)(ye)(ye)(ye)(ye)的(de)品(pin)(pin)質。然而,因漿(jiang)(jiang)(jiang)液(ye)(ye)(ye)(ye)(ye)密(mi)(mi)(mi)度(du)(du)(du)(du)不是(shi)在加入循(xun)(xun)環(huan)箱(xiang)(xiang)的(de)水(shui)量(liang)變(bian)化后迅速反應(ying)出(chu)來,如(ru)果(guo)在PID參數(shu)設(she)(she)置上(shang)不符要(yao)求,那么此(ci)密(mi)(mi)(mi)度(du)(du)(du)(du)調節將無法按設(she)(she)定值正(zheng)常(chang)調節,時(shi)而需(xu)要(yao)人為(wei)干預,增加了(le)運(yun)行人員的(de)工作(zuo)量(liang)。
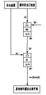
下面(mian)以廣(guang)東(dong)河(he)源(yuan)電(dian)廠2*600MW煙氣(qi)脫硫系(xi)統(tong)濕(shi)式球(qiu)磨機為例介紹濕(shi)式球(qiu)磨機漿(jiang)液密(mi)度的PID調(diao)節及其(qi)參數(shu)設(she)置(zhi)。磨機系(xi)統(tong)自動調(diao)節控制示意框圖如下:
磨(mo)機系統自(zi)動調(diao)節(jie)控制(zhi)示意圖 |
廣東河(he)源電廠2*600MW煙氣脫硫系(xi)統(tong)濕式球磨機出(chu)力為(wei)10T/h,如果按照成品漿液濃度為(wei)30%計算(suan),那(nei)么(me)(me)每臺磨機每小(xiao)時(shi)用水量(liang)(liang)(liang)大概為(wei)33T,除去磨機頭部(bu)機封沖洗水及(ji)頭部(bu)補水約(yue)10T/h,那(nei)么(me)(me)另外(wai)需加23T/h 水量(liang)(liang)(liang),根據此(ci)值(zhi)我(wo)們可確(que)定上(shang)限(xian)流(liu)(liu)量(liang)(liang)(liang)大約(yue)為(wei)23T。另外(wai)磨機正常(chang)運行(xing)(xing)時(shi),其出(chu)力都會(hui)大于40%以(yi)上(shang),因此(ci)我(wo)們計算(suan)正常(chang)使(shi)用時(shi)下限(xian)總(zong)流(liu)(liu)量(liang)(liang)(liang)值(zhi)在14T左(zuo)右,減(jian)去機封水流(liu)(liu)量(liang)(liang)(liang)約(yue)10T,那(nei)么(me)(me)下限(xian)流(liu)(liu)量(liang)(liang)(liang)為(wei)4T/h,有了這兩(liang)個參數(shu)以(yi)后,我(wo)們可以(yi)對PID串級調(diao)節中主調(diao)節輸(shu)出(chu)范圍進(jin)行(xing)(xing)限(xian)制,即(ji)限(xian)制輸(shu)出(chu)為(wei)4—23,此(ci)輸(shu)出(chu)限(xian)制在參數(shu)設置中是比較關鍵(jian)的一步。
下面要講(jiang)的(de)(de)是(shi)PID串級調(diao)節(jie)(jie)中(zhong)其(qi)它參數的(de)(de)設置(zhi),主調(diao)節(jie)(jie)的(de)(de)PV值是(shi)密度(du),副調(diao)節(jie)(jie)的(de)(de)PV值是(shi)流量,因(yin)(yin)密度(du)在調(diao)節(jie)(jie)過程中(zhong)變化比(bi)較緩慢,因(yin)(yin)此參數設置(zhi)時同時用到PID調(diao)節(jie)(jie)中(zhong)的(de)(de)比(bi)例調(diao)節(jie)(jie)、積(ji)分(fen)調(diao)節(jie)(jie)和微分(fen)調(diao)節(jie)(jie)。
下(xia)(xia)面(mian)先簡(jian)單介紹一(yi)下(xia)(xia)ABB DCS分散控(kong)制系(xi)(xi)(xi)統PID控(kong)制器的控(kong)制原理。比(bi)例(li)(li)調(diao)(diao)節作(zuo)用是(shi)按比(bi)例(li)(li)反應系(xi)(xi)(xi)統的偏(pian)差,系(xi)(xi)(xi)統一(yi)旦出(chu)現了偏(pian)差,比(bi)例(li)(li)調(diao)(diao)節立(li)即產生(sheng)調(diao)(diao)節作(zuo)用以減(jian)(jian)少偏(pian)差,比(bi)例(li)(li)作(zuo)用大,可以加(jia)快調(diao)(diao)節,減(jian)(jian)少誤差,但是(shi)過大的比(bi)例(li)(li),使系(xi)(xi)(xi)統的穩(wen)定性下(xia)(xia)降,甚至造成系(xi)(xi)(xi)統的不穩(wen)定,每(mei)設定一(yi)次(ci)參數(shu)后,需經過較長時間的觀(guan)察和調(diao)(diao)整,直至調(diao)(diao)節效果滿(man)足實際要(yao)求,經過多(duo)次(ci)的設定觀(guan)察調(diao)(diao)整,最終河源電廠磨機系(xi)(xi)(xi)統的比(bi)例(li)(li)調(diao)(diao)節參數(shu)設置為增(zeng)(zeng)益放大倍數(shu)K=0.01, 比(bi)例(li)(li)增(zeng)(zeng)益KP=1。
從積(ji)(ji)分(fen)(fen)(fen)調(diao)節(jie)公式可以看出積(ji)(ji)分(fen)(fen)(fen)調(diao)節(jie)可使系統(tong)消除穩(wen)態誤差(cha),提高(gao)無(wu)差(cha)度,因為有(you)誤差(cha),積(ji)(ji)分(fen)(fen)(fen)調(diao)節(jie)就(jiu)(jiu)進行,直至(zhi)無(wu)差(cha),積(ji)(ji)分(fen)(fen)(fen)調(diao)節(jie)停止,積(ji)(ji)分(fen)(fen)(fen)調(diao)節(jie)輸出一常值,積(ji)(ji)分(fen)(fen)(fen)作用的強(qiang)弱(ruo)取決于積(ji)(ji)分(fen)(fen)(fen)時間(jian)常數,積(ji)(ji)分(fen)(fen)(fen)時間(jian)常數越小,積(ji)(ji)分(fen)(fen)(fen)作用就(jiu)(jiu)越強(qiang),反之積(ji)(ji)分(fen)(fen)(fen)作用就(jiu)(jiu)弱(ruo),加入積(ji)(ji)分(fen)(fen)(fen)調(diao)節(jie)可使系統(tong)穩(wen)定性(xing)下(xia)降,動(dong)態響(xiang)應變慢(man),經過幾次(ci)調(diao)整觀(guan)察,最(zui)終河(he)源電廠積(ji)(ji)分(fen)(fen)(fen)時間(jian)常設置(zhi)為Ki=10。
從微(wei)分(fen)(fen)調節(jie)(jie)公式可(ke)以(yi)看出(chu)微(wei)分(fen)(fen)作用反(fan)映(ying)系統偏差信號的變化率(lv),具有(you)預見性,能預見偏差變化的趨(qu)勢,因此(ci)能產(chan)生超(chao)前(qian)的控制作用,在偏差還沒有(you)形成之(zhi)前(qian),已被(bei)微(wei)分(fen)(fen)調節(jie)(jie)作用消(xiao)除。因此(ci),可(ke)以(yi)改善系統的動(dong)態性能,在微(wei)分(fen)(fen)時間選擇合適的情況下,可(ke)以(yi)減少超(chao)調,減少調節(jie)(jie)時間。在河(he)源電廠中,最(zui)終(zhong)微(wei)分(fen)(fen)調節(jie)(jie)常(chang)數Kd=5。
副調節(jie)的作用(yong)對(dui)象(xiang)為補水(shui)流(liu)量,因流(liu)量反(fan)應速(su)度(du)快,因此在流(liu)量調節(jie)中不需(xu)要(yao)加入微分調節(jie),僅調節(jie)偏差,并且要(yao)求響應速(su)度(du)相應較快,其(qi)參數設(she)置(zhi)為增益(yi)放大倍數K=0.1,比例增益(yi)KP=1,積分時間常數為5。
另外就(jiu)是正(zheng)(zheng)反作(zuo)(zuo)用(yong)的設(she)置,正(zheng)(zheng)作(zuo)(zuo)用(yong)為控(kong)制器輸出增加(jia)引(yin)(yin)起過程(cheng)變量減(jian)小,反作(zuo)(zuo)用(yong)為控(kong)制器輸出增加(jia)引(yin)(yin)起過程(cheng)變量增大,因(yin)此主調(diao)節應(ying)設(she)為正(zheng)(zheng)作(zuo)(zuo)用(yong),副調(diao)節應(ying)設(she)為反作(zuo)(zuo)用(yong),這樣,密度增大或減(jian)小時,流量會相應(ying)的增大或減(jian)小,并最終把密度控(kong)制在設(she)定值左右。
從河源電(dian)廠運行(xing)情況看,平(ping)時(shi)密度設定(ding)置為(wei)1450 kg/m3,實際密度值均控制在1430 kg/m3-1470 kg/m3之間,中間過程不需要運行(xing)人員人為(wei)干擾,運行(xing)十分(fen)穩定(ding)。

使用微信“掃一掃”功能添加“谷騰環保網”