采取綜合措施治理窯尾粉塵污染
0 前言
幾年前,為某水泥廠探索了一種花錢不多,效果顯著的“治理污染”的方法,走出了一條“加強管理”與“改造設備”相結合的治理污染之路,取得了較好的效果。現將有關措施小結如下:
1 治理前的狀況
該廠是一家有近40年歷史的老廠,由于生產工藝、設備落后,治理之前經常出現因收塵器內積灰太多(堆到收塵器電場極板之間),不能正常工作,而造成停窯,更為嚴重的是曾出現數次因收塵器內積灰太多,積灰從收塵入口倒入窯尾風機內,不得不停窯進行人工清理。窯尾收塵設備的運轉率曾一度低于85%,收塵效率亦極低,根本不能做到達標排放。
2 存在的問題
造成該廠環境污染較嚴重的原因主要是設備陳舊、生產工藝欠合理、崗位分工不合理和管理措施不得力等。
2.1 生產工藝欠合理
該廠有三條Ф3.5m×135m濕法回轉窯,其中3#窯系統設計較合理,其窯尾收塵器采用的是75m2的臥式電收塵,收集的灰塵由Φ300mm的螺旋絞刀、Φ135mm螺旋泵輸送,經喂灰裝置喂入窯內,滿足了生產要求。而1#和2#窯系統存在明顯的設計缺陷,其窯尾收塵器均采用的是60m2的立式電收塵,兩窯尾共用同一輸送系統,由兩條Φ250mm的螺旋絞刀、一條Φ300mm的螺旋絞刀、一臺CP2.0的單倉泵組成(如圖1所示)。使得后兩臺設備幾乎沒有正常維修的機會;當兩個系統同時灰多時,Φ300mm絞刀輸送能力偏小;兩臺窯系統的窯尾灰合到一起之后,很難合理地重新分配到兩個窯中喂灰系統,常因分配不合理而影響大窯鍛燒;電收塵與螺旋絞刀之間沒有鎖風閥,從絞刀進入的冷風進入電收塵器中,一方面加快了收塵器極板、極線等的腐蝕,另一方面上升的氣流使電收塵內已沉降的粉塵再次揚起(二次揚塵),影響收塵效率。
![]() 圖1 改造前的窯尾系統 |
2.2 設備陳舊
主要表現在五個方面:(1)極板及框架部分變形嚴重,有個別部位極板與極線之間的距離遠遠小于設計值,使收塵器二次電壓無法升高(經常在30∽45kV之間),影響收塵效率;(2)部分電暈線(極線)已嚴重銹蝕,常常在運行中折斷,使電場短路(極板與極線短路),整組電場無法工作;(3)電收塵器內壁的混凝土經常脫落,或砸斷電暈線,或卡在極板與極線之間,使電場因短路而無法工作;(4)有的振打裝置損壞,有的振打裝置因變形而振打不到位,常出現極板、極線被灰塵包住,二次電流偏低,收塵效率低的現象;(5)部分人孔門變形,漏風嚴重。
此外,CP2.0單倉泵正常工作時所需壓縮空氣壓力應穩定在0.5MPa左右,而因集中供氣,當管網上其它設備瞬間需氣量較大時,常使管網空氣壓力下降,達不到所需的空氣壓力,造成單倉泵送不出灰,管道堵塞而影響電收塵運轉率。
2.3 崗位設置不合理
崗位分得過細。同時也常常出現各崗位之間工作不協調的現象。這樣不利于充分利用勞動力資源,加快設備搶修(檢修)進度。
2.4 管理措施不得力
由于存在重生產、輕環保的思想,電收塵系統的管理沒有一個有效、得力的管理措施。具體存在下列現象:(1)設備檢修時責任心不強,設備檢修完畢剛運行幾個小時又出現故障;(2)在設備正常、二次電壓能升高的情況下故意降低二次電壓,降低收塵效率(尤其在晚上);(3)窯中喂灰工故意關小喂灰閥門。
2.5 人員素質差
由于企業人員流動較大,崗位新工人相對較多,加上沒有具體的獎懲措施,有部分人不愿意學技術,不具備基本的設備操作、管理、維護的能力和經驗,常延長故障處理時間。
3 采取的措施
針對系統中存在的上述問題,本著充分發揮原有設備的潛能、少花錢的原則,對設備進行了技術改造和綜合治理,具體采取了以下措施。
3.1 改造不合理的生產工藝
將1#、2#窯尾輸送系統分開,即將原來的窯尾輸送系統廢除,在電收塵的下料口處恢復原來的鎖風閥,然后在鎖風閥下分別加裝Ф135mm的螺旋輸送泵,直接將窯尾灰送到窯中喂灰系統(如圖2)。這樣能解決以下問題:(1)恢復了鎖風閥,提高了收塵效率。(2)因螺旋輸送泵的工作壓力相對較低(大約0.25∽0.3MPa之間),解決了氣源壓力偏低的問題。(3)兩個系統獨立分開,既有了設備維修機會(可隨大窯進行同步檢修),也不存在兩條窯的窯尾灰在窯中重新分配的問題了。(4)取消了Φ300mm的螺旋絞刀,也就解決了灰多的瞬間設備輸送能力不夠的問題了。
![]() 圖2 改造后的窯尾系統 |
3.2 修復原有設備
針對設備中存在的問題,分別采用了相應的方法進行處理。(1)對變形的極板、框架等進行調整,盡量恢復原有的參數;將個別變形嚴重,但又確實無法調整的極板進行拆除(當然這樣會減小電收塵的有效面積),以升高二次電壓,提高收塵效率。(2)準備部分電暈線,利用修窯機會,對嚴重銹蝕的電暈線進行更換。(3)對電收塵器的內壁進行加固,防止運行過程中內壁混凝土脫落。(4)對損壞的振打裝置進行修復。(5)修整變形的人孔門,減少冷風的進入,提高收塵效率。
3.3 調整崗位設置
針對原崗位設置中存在的缺陷,對崗位設置進行了調整,將原來的電收塵工、窯尾輸送工、窯中喂灰工進行合并,值班點設在電收塵,其它設備采用巡檢制,并且每班設負責人,對本班的工作進行組織、指揮、協調、督促、檢查等。這樣無論是設備搶修,還是設備檢修都有比較充裕的人力,而且各崗位之間工作容易協調。
3.4 加強管理
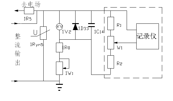
制定了比較完善的管理制度,該崗位的收益與電收塵的運轉率和收塵效率直接掛勾,做到有獎有罰。具體為:(1)對檢修人員,規定設備檢修完畢后,未能達到規定運行時間又出現故障的進行一定的處罰。(2)對每班電收塵的運轉率和收塵效率規定了考核指標,低于該指標要罰,高于該指標有獎。電收塵的運轉率和收塵效率通過用記錄儀記錄電收塵的二次電壓來衡量,有無信號記錄代表電收塵是否運行;記錄儀信號的大小代表收塵效率的高低(當然電收塵二次電壓和電收塵收塵效率之間存在一定的差距,但總體上講,二次電壓越高,意味著收塵效率越好)。電收塵二次電壓的記錄采用在原電收塵整流柜上加裝如圖3所示的電路來完成。
![]() 圖3 記錄電收塵二次電壓的電路 |
注:虛線框外為原整流器中的電路,虛線框內為記錄二次電壓加裝的電路。
3.5 提高職工素質
開展多種形式的職工培訓,提高職工隊伍素質。具體采用集中講課和現場示范相結合的方式。為了調動學習積極性,對出現重復故障不會排除的給予一定處罰。
4 效果
經過大家的共同努力,大約花了半年的時間,窯尾除塵工作就正常了。電收塵的運轉率超過98%,收塵效率也大大的提高(見表1)。據不完全統計,加強管理后一年,多生產熟料約7000噸,增加效益近百萬元,而整個改造過程中的投資不到15萬元,約兩個月就收回了全部成本。
表1 綜合治理后的排放濃度(標況)
|
5 結束語
每個廠各有自己的具體情況,但是只要思想上重視,結合本廠的具體情況,采取恰當的措施,一定會取得較好的效果。搞好環保工作就沒有想象的那么難了。

使用微信“掃一掃”功能添加“谷騰環保網”