冶金石灰窯發生爐煤氣脫硫分析
摘要:闡述了煤(mei)氣脫硫(liu)對冶金活(huo)性石灰生產的(de)必(bi)要(yao)性,對發生爐煤(mei)氣脫硫(liu)方法(fa)進(jin)行(xing)了分項介紹和(he)分析,并(bing)提出了根據煤(mei)氣原始含硫(liu)量的(de)高低和(he)石灰產品的(de)等級定(ding)位(wei),確定(ding)不(bu)同(tong)煤(mei)氣脫硫(liu)工藝(yi)的(de)建(jian)議。
關鍵詞:冶金活性石灰,硫含量,發生爐煤氣,干法脫硫,濕法脫硫
近(jin)年來,工業(ye)用石(shi)灰(hui)市場高速增(zeng)長, 2007年,我國全年石(shi)灰(hui)用量(liang)(liang)已經(jing)超過(guo)1.7億(yi)噸,其中鋼鐵行業(ye)用冶金(jin)活(huo)性石(shi)灰(hui)量(liang)(liang)為4250噸,約占石(shi)灰(hui)總用量(liang)(liang)的1/4【1】。在眾(zhong)多(duo)用途的石(shi)灰(hui)中,冶金(jin)活(huo)性石(shi)灰(hui)的質(zhi)量(liang)(liang)要求較為嚴格,其活(huo)性度、生過(guo)燒率、CaO含(han)量(liang)(liang)、SiO2含(han)量(liang)(liang)及硫含(han)量(liang)(liang),直接影響(xiang)到煉鋼成本、鋼水(shui)質(zhi)量(liang)(liang)和(he)冶煉水(shui)平(ping)【2】。
1.控制冶金石灰窯燃料煤氣硫含量的必要性
冶(ye)金(jin)活(huo)性(xing)石灰(hui)(hui)中有效(xiao)(xiao)CaO含(han)量(liang)(liang)高,可降低石灰(hui)(hui)消耗,提高熱效(xiao)(xiao)率,并能夠有效(xiao)(xiao)加強冶(ye)煉中脫(tuo)(tuo)硫(liu)、脫(tuo)(tuo)磷(lin)的效(xiao)(xiao)果(guo);冶(ye)金(jin)活(huo)性(xing)石灰(hui)(hui)中的硫(liu)含(han)量(liang)(liang)指標也相當重要,石灰(hui)(hui)中硫(liu)含(han)量(liang)(liang)高,會造成渣液流動性(xing)差(cha),影響煉鋼(gang)過程(cheng)的脫(tuo)(tuo)硫(liu)效(xiao)(xiao)果(guo),國外(wai)及我國對冶(ye)金(jin)活(huo)性(xing)石灰(hui)(hui)中CaO及硫(liu)含(han)量(liang)(liang)都有較(jiao)嚴格的要求(qiu)【3,4】,參見表(biao)(biao)1和表(biao)(biao)2。
表1 國外(wai)冶金活性石灰CaO及硫含(han)量要求 表2 我國冶金(jin)活性石灰CaO及硫含量要求 |
冶金活性石(shi)(shi)灰(hui)中(zhong)(zhong)的(de)(de)(de)硫(liu)有兩(liang)個主(zhu)要來(lai)源,第一,來(lai)自生石(shi)(shi)灰(hui)石(shi)(shi)中(zhong)(zhong)的(de)(de)(de)有機物、黃鐵礦和(he)硫(liu)酸鈣(gai)中(zhong)(zhong)的(de)(de)(de)硫(liu);第二,來(lai)自燃(ran)料中(zhong)(zhong)所含的(de)(de)(de)硫(liu)【5,6】。來(lai)自石(shi)(shi)灰(hui)石(shi)(shi)的(de)(de)(de)硫(liu)只能依(yi)靠原料的(de)(de)(de)選擇來(lai)控制,但(dan)來(lai)自燃(ran)料中(zhong)(zhong)的(de)(de)(de)硫(liu),我們(men)可(ke)以(yi)通過燃(ran)料脫硫(liu)來(lai)控制。在氣(qi)燒石(shi)(shi)灰(hui)窯(yao)中(zhong)(zhong),以(yi)天然氣(qi)和(he)轉爐煤氣(qi)含硫(liu)最(zui)低(di),高爐煤氣(qi)中(zhong)(zhong)含硫(liu)量(liang)次之,一般在600-700mg/Nm3左右,而(er)焦爐煤氣(qi)和(he)發生爐煤氣(qi)一般含硫(liu)較高,通常都(dou)在1500mg/Nm3以(yi)上。煤氣(qi)中(zhong)(zhong)的(de)(de)(de)硫(liu)以(yi)H2S的(de)(de)(de)形式(shi)存在,在石(shi)(shi)灰(hui)窯(yao)中(zhong)(zhong)燃(ran)燒后則轉變(bian)為SO2的(de)(de)(de)形式(shi)。
石(shi)灰(hui)(hui)窯中煅燒(shao)石(shi)灰(hui)(hui)的基本原理是借助高溫,將石(shi)灰(hui)(hui)石(shi)中碳酸鈣分(fen)(fen)解成(cheng)氧化鈣和二氧化碳的生(sheng)石(shi)灰(hui)(hui),其(qi)反(fan)應(ying)方(fang)程式為(wei) CaCO3→CaO+CO2,其(qi)工藝(yi)過程為(wei),石(shi)灰(hui)(hui)石(shi)裝(zhuang)入石(shi)灰(hui)(hui)窯后,預熱到850℃開(kai)始分(fen)(fen)解,升(sheng)溫至1200℃完成(cheng)煅燒(shao),再經空(kong)氣冷(leng)卻后出(chu)窯。
石(shi)灰(hui)(hui)具(ju)有一定的(de)固(gu)(gu)硫(liu)作(zuo)用,其固(gu)(gu)硫(liu)反(fan)(fan)應(ying)方(fang)程式(shi)為CaO+SO2+1/2O2←→CaSO4,該(gai)反(fan)(fan)應(ying)為可(ke)逆(ni)反(fan)(fan)應(ying),當溫度(du)在(zai)(zai)(zai)850℃左(zuo)右時,石(shi)灰(hui)(hui)固(gu)(gu)硫(liu)反(fan)(fan)應(ying)率最(zui)(zui)高(gao),而當溫度(du)高(gao)于(yu)1000℃時,硫(liu)酸(suan)鹽(yan)將開始(shi)分(fen)解,其最(zui)(zui)佳(jia)分(fen)解溫度(du)大約(yue)在(zai)(zai)(zai)1600~1700℃之間,一般石(shi)灰(hui)(hui)窯的(de)煅燒溫度(du)在(zai)(zai)(zai)1100-1250℃,在(zai)(zai)(zai)此溫度(du)下,仍然(ran)存在(zai)(zai)(zai)石(shi)灰(hui)(hui)的(de)固(gu)(gu)硫(liu)反(fan)(fan)應(ying),其結果是石(shi)灰(hui)(hui)中CaSO4含量(liang)增加,CaO含量(liang)降低,石(shi)灰(hui)(hui)質量(liang)下降。
為保證冶金(jin)活(huo)性(xing)石灰盡量(liang)低的含硫(liu)量(liang)和高的CaO含量(liang),必(bi)須(xu)利(li)用含硫(liu)量(liang)低的燃料,或對含硫(liu)較高的燃料進行脫硫(liu)處(chu)理【6】,對于氣體燃料而(er)言,焦爐煤(mei)氣的脫硫(liu)通常由焦化廠(chang)完成,而(er)發生爐煤(mei)氣的脫硫(liu)則必(bi)須(xu)在煤(mei)氣站進行。
2.發生爐煤氣脫硫方法介紹
發生爐(lu)煤(mei)(mei)(mei)(mei)氣(qi)(qi)(qi)(qi)中的(de)(de)硫(liu)來(lai)源于(yu)氣(qi)(qi)(qi)(qi)化(hua)(hua)用(yong)煤(mei)(mei)(mei)(mei),主要以(yi)H2S形式(shi)存在,氣(qi)(qi)(qi)(qi)化(hua)(hua)用(yong)煤(mei)(mei)(mei)(mei)中的(de)(de)硫(liu)約(yue)有(you)80%轉(zhuan)化(hua)(hua)成(cheng)H2S進入煤(mei)(mei)(mei)(mei)氣(qi)(qi)(qi)(qi),煤(mei)(mei)(mei)(mei)氣(qi)(qi)(qi)(qi)的(de)(de)脫(tuo)硫(liu)方法(fa)(fa)(fa)從總體上(shang)來(lai)分有(you)兩種(zhong):熱(re)煤(mei)(mei)(mei)(mei)氣(qi)(qi)(qi)(qi)脫(tuo)硫(liu)和(he)冷煤(mei)(mei)(mei)(mei)氣(qi)(qi)(qi)(qi)脫(tuo)硫(liu)。在我國,熱(re)煤(mei)(mei)(mei)(mei)氣(qi)(qi)(qi)(qi)脫(tuo)硫(liu)現(xian)在仍處(chu)于(yu)試(shi)驗(yan)研究階(jie)段(duan),還有(you)待(dai)于(yu)進一步完善(shan),而冷煤(mei)(mei)(mei)(mei)氣(qi)(qi)(qi)(qi)脫(tuo)硫(liu)是比較成(cheng)熟的(de)(de)技術,其(qi)脫(tuo)硫(liu)方法(fa)(fa)(fa)也很(hen)多。冷煤(mei)(mei)(mei)(mei)氣(qi)(qi)(qi)(qi)脫(tuo)硫(liu)大體上(shang)可分為干法(fa)(fa)(fa)脫(tuo)硫(liu)和(he)濕法(fa)(fa)(fa)脫(tuo)硫(liu)兩種(zhong)方法(fa)(fa)(fa),干法(fa)(fa)(fa)脫(tuo)硫(liu)以(yi)氧化(hua)(hua)鐵法(fa)(fa)(fa)和(he)活性(xing)炭法(fa)(fa)(fa)應(ying)用(yong)較廣,而濕法(fa)(fa)(fa)脫(tuo)硫(liu)以(yi)砷堿法(fa)(fa)(fa)、ADA、改良ADA和(he)栲膠法(fa)(fa)(fa)頗具代表性(xing)。
2.2干法脫硫技術
煤氣干(gan)法(fa)脫(tuo)(tuo)硫(liu)(liu)技術(shu)應(ying)用(yong)較(jiao)早,最早應(ying)用(yong)于煤氣的(de)干(gan)法(fa)脫(tuo)(tuo)硫(liu)(liu)技術(shu)是以沼鐵(tie)礦為脫(tuo)(tuo)硫(liu)(liu)劑(ji)的(de)氧化鐵(tie)脫(tuo)(tuo)硫(liu)(liu)技術(shu),之后,隨(sui)著(zhu)煤氣脫(tuo)(tuo)硫(liu)(liu)活性炭的(de)研究(jiu)成功(gong)及其生(sheng)產(chan)成本的(de)相對降低,活性炭脫(tuo)(tuo)硫(liu)(liu)技術(shu)也開始被廣泛應(ying)用(yong)。
2.2.1氧化鐵脫(tuo)硫(liu)技(ji)術(shu)
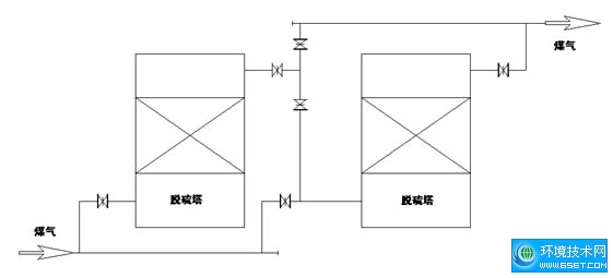
最早使用(yong)的(de)氧(yang)化鐵脫(tuo)硫(liu)劑(ji)(ji)(ji)為(wei)沼鐵礦(kuang)和人工氧(yang)化鐵,為(wei)增加其孔隙率,脫(tuo)硫(liu)劑(ji)(ji)(ji)以木屑為(wei)填充料,再(zai)噴灑(sa)適量的(de)水和少量熟石(shi)灰,反復翻曬制成,其PH值一般為(wei)8-9左(zuo)右,該種脫(tuo)硫(liu)劑(ji)(ji)(ji)脫(tuo)硫(liu)效率較低,必(bi)須塔外(wai)再(zai)生,再(zai)生困難,不久(jiu)便被其他新型(xing)脫(tuo)硫(liu)劑(ji)(ji)(ji)所(suo)取代(dai),目前應用(yong)較為(wei)廣泛(fan)的(de)氧(yang)化鐵脫(tuo)硫(liu)劑(ji)(ji)(ji)有TF型(xing)、JNT-1型(xing)等。活性氧(yang)化鐵脫(tuo)硫(liu)工藝流程參見(jian)圖1,氧(yang)化鐵脫(tuo)硫(liu)和再(zai)生反應過程如(ru)下。
圖1 活(huo)性(xing)氧化鐵脫硫工藝流程圖 |
(1)脫硫過程
2Fe(OH)3+3H2S→Fe2S3+6H2O
2Fe(OH)3 + H2S→2Fe(OH)2+S+2H2O
Fe(OH)2 + H2S→FeS+2H2O
(2)再生過程
2Fe2S3+3O2+6H2O→4Fe(OH)3+6S
4FeS+3O2+6H2O→4Fe(OH)3+4S
2.2.2活性炭(tan)脫硫技(ji)術(shu)
活(huo)(huo)(huo)性(xing)炭(tan)(tan)脫(tuo)硫(liu)主(zhu)要是利(li)用活(huo)(huo)(huo)性(xing)炭(tan)(tan)的(de)(de)催(cui)化(hua)(hua)和(he)(he)吸(xi)附(fu)作用,活(huo)(huo)(huo)性(xing)炭(tan)(tan)的(de)(de)催(cui)化(hua)(hua)活(huo)(huo)(huo)性(xing)很(hen)強,煤(mei)氣(qi)中(zhong)的(de)(de)H2S在活(huo)(huo)(huo)性(xing)炭(tan)(tan)的(de)(de)催(cui)化(hua)(hua)作用下,與煤(mei)氣(qi)中(zhong)少量的(de)(de)O2發生(sheng)(sheng)氧化(hua)(hua)反應,反應生(sheng)(sheng)成(cheng)的(de)(de)單(dan)質S吸(xi)附(fu)于活(huo)(huo)(huo)性(xing)炭(tan)(tan)表面。當活(huo)(huo)(huo)性(xing)炭(tan)(tan)脫(tuo)硫(liu)劑吸(xi)附(fu)達到飽和(he)(he)時(shi),脫(tuo)硫(liu)效(xiao)率(lv)明顯下降,必須進行再生(sheng)(sheng)。活(huo)(huo)(huo)性(xing)炭(tan)(tan)的(de)(de)再生(sheng)(sheng)根(gen)據(ju)所吸(xi)附(fu)的(de)(de)物質而定(ding),S在常(chang)壓(ya)下,190℃時(shi)開始熔化(hua)(hua),440℃左右便(bian)(bian)升華變為氣(qi)態,所以,一般利(li)用450-500℃左右的(de)(de)過熱(re)蒸汽對活(huo)(huo)(huo)性(xing)炭(tan)(tan)脫(tuo)硫(liu)劑進行再生(sheng)(sheng),當脫(tuo)硫(liu)劑溫度提高到一定(ding)程度時(shi),單(dan)質硫(liu)便(bian)(bian)從活(huo)(huo)(huo)性(xing)炭(tan)(tan)中(zhong)析出(chu),析出(chu)的(de)(de)硫(liu)流(liu)入硫(liu)回(hui)收池,水冷后形成(cheng)固態硫(liu)。活(huo)(huo)(huo)性(xing)炭(tan)(tan)脫(tuo)硫(liu)再生(sheng)(sheng)工藝流(liu)程如圖2所示,其脫(tuo)硫(liu)反應過程為2H2S + O2→2S+2H2O。
2 活性炭脫硫再生工藝流(liu)程 |
2.3濕法脫硫技術
濕(shi)法(fa)(fa)(fa)脫硫(liu)(liu)應用(yong)較早的方(fang)法(fa)(fa)(fa)是(shi)氨洗中和法(fa)(fa)(fa),自從(cong)上世紀(ji)50年(nian)代初國外出現ADA法(fa)(fa)(fa)以(yi)(yi)(yi)來,我國也先后(hou)研(yan)制(zhi)開(kai)發(fa)了改良(liang)型ADA法(fa)(fa)(fa)、MSQ法(fa)(fa)(fa)、KCS法(fa)(fa)(fa)以(yi)(yi)(yi)及(ji)栲(kao)膠法(fa)(fa)(fa)等脫硫(liu)(liu)技術。濕(shi)法(fa)(fa)(fa)脫硫(liu)(liu)可以(yi)(yi)(yi)歸納(na)分為(wei)(wei)物理吸(xi)(xi)(xi)(xi)(xi)(xi)收法(fa)(fa)(fa)、化(hua)學(xue)吸(xi)(xi)(xi)(xi)(xi)(xi)收法(fa)(fa)(fa)和氧化(hua)法(fa)(fa)(fa)三(san)種。物理吸(xi)(xi)(xi)(xi)(xi)(xi)收法(fa)(fa)(fa)是(shi)采用(yong)有機溶(rong)(rong)劑作為(wei)(wei)吸(xi)(xi)(xi)(xi)(xi)(xi)收劑,加壓(ya)吸(xi)(xi)(xi)(xi)(xi)(xi)收H2S,再(zai)經減壓(ya)將吸(xi)(xi)(xi)(xi)(xi)(xi)收的H2S釋放出來,吸(xi)(xi)(xi)(xi)(xi)(xi)收劑循環使用(yong),該法(fa)(fa)(fa)以(yi)(yi)(yi)環丁礬法(fa)(fa)(fa)為(wei)(wei)代表;化(hua)學(xue)吸(xi)(xi)(xi)(xi)(xi)(xi)收法(fa)(fa)(fa)是(shi)以(yi)(yi)(yi)弱堿(jian)性溶(rong)(rong)劑為(wei)(wei)吸(xi)(xi)(xi)(xi)(xi)(xi)收劑,吸(xi)(xi)(xi)(xi)(xi)(xi)收過程(cheng)伴隨化(hua)學(xue)反應過程(cheng),吸(xi)(xi)(xi)(xi)(xi)(xi)收H2S后(hou)的吸(xi)(xi)(xi)(xi)(xi)(xi)收劑經增溫、減壓(ya)后(hou)得(de)以(yi)(yi)(yi)再(zai)生,熱砷堿(jian)法(fa)(fa)(fa)即屬化(hua)學(xue)吸(xi)(xi)(xi)(xi)(xi)(xi)附法(fa)(fa)(fa);氧化(hua)法(fa)(fa)(fa)是(shi)以(yi)(yi)(yi)堿(jian)性溶(rong)(rong)液為(wei)(wei)吸(xi)(xi)(xi)(xi)(xi)(xi)收劑,并(bing)加入載氧體為(wei)(wei)催化(hua)劑,吸(xi)(xi)(xi)(xi)(xi)(xi)收H2S,并(bing)將其(qi)氧化(hua)成單質(zhi)硫(liu)(liu),氧化(hua)法(fa)(fa)(fa)以(yi)(yi)(yi)改良(liang)ADA法(fa)(fa)(fa)和栲(kao)膠法(fa)(fa)(fa)為(wei)(wei)代表。
目(mu)前,在發生爐煤氣的(de)濕法(fa)脫(tuo)(tuo)硫技術中,應用較為(wei)廣泛的(de)是(shi)栲膠(jiao)脫(tuo)(tuo)硫法(fa)。它是(shi)以(yi)純堿作(zuo)為(wei)吸(xi)收劑(ji),以(yi)栲膠(jiao)為(wei)載氧體,以(yi)NaVO3為(wei)氧化劑(ji)。濕法(fa)脫(tuo)(tuo)硫和(he)再生工藝流程如圖(tu)3所(suo)示,其脫(tuo)(tuo)硫及再生的(de)反應過程如下。
圖3 濕法(fa)栲膠脫硫和再生工藝流程 |
(1)吸收
在吸收塔內(nei)原料(liao)氣與脫硫液逆流接觸(chu)硫化氫與溶(rong)液中堿作(zuo)用被吸收:
H2S+Na2CO3→NaHS+NaHCO3
(2)析硫
在反(fan)應槽內(nei)硫(liu)氫根被高(gao)價金屬(shu)離子氧化(hua)生成單質硫(liu):
NaHS+NaHCO3+2NaVO3→S↓+Na2V2O5+Na2 CO3+H2O
生成的四(si)價釩(fan)被醌態物質氧化為五價釩(fan):
Na2CO3+ H2O
Na2V2O5 + Q(醌) 2NaVO3 + HQ(酚)
(3)再生氧化
在噴射再生槽內空氣將(jiang)酚態物氧化為醌態:
2HQ+1/2O2→2Q+H2O
3.干法脫硫與濕法脫硫技術綜合比較
3.1 干法脫硫的優缺點
3.1.1 干法脫硫的優(you)點
在(zai)選用反應活(huo)性好硫(liu)容高的脫(tuo)(tuo)(tuo)硫(liu)劑(ji)的前提下,干(gan)法(fa)脫(tuo)(tuo)(tuo)硫(liu)脫(tuo)(tuo)(tuo)硫(liu)效率較高,比(bi)較適宜(yi)精(jing)脫(tuo)(tuo)(tuo)硫(liu),處理(li)含H2S較低的煤氣,因為,煤氣中H2S過高會造成脫(tuo)(tuo)(tuo)硫(liu)劑(ji)很快(kuai)失效。
3.1.2干法(fa)脫硫的缺點
(1)氧化鐵法脫硫
設備(bei)笨重,脫硫(liu)劑再生(sheng)大多為間歇再生(sheng),每次再生(sheng)完畢,必須用(yong)蒸(zheng)汽將塔內的殘余空(kong)氣(qi)吹凈,煤氣(qi)分析合格后,方能倒塔送氣(qi),否則會引起爆炸。另外,更換脫硫(liu)劑時,操作(zuo)勞動強度(du)大,操作(zuo)不當很容易(yi)起火燃(ran)燒,較為危險。
(2)活性碳法脫硫
脫硫劑再(zai)生(sheng)使用的(de)過熱蒸汽不易獲得,而且再(zai)生(sheng)效(xiao)果很難達到要求,多數廠(chang)家干脆就(jiu)不再(zai)生(sheng),而是將脫硫劑取(qu)出后更換新的(de)活性炭(tan)。
對于(yu)(yu)干(gan)法脫(tuo)硫(liu)(liu)而(er)言,由于(yu)(yu)硫(liu)(liu)的吸附(fu)會增加脫(tuo)硫(liu)(liu)劑(ji)床層的阻力(li),即而(er)引起(qi)煤氣壓力(li)波動(dong),不(bu)(bu)利(li)(li)于(yu)(yu)窯(yao)前(qian)煤氣的正常(chang)燃燒。另外,采(cai)用干(gan)法脫(tuo)硫(liu)(liu),脫(tuo)硫(liu)(liu)效率隨著脫(tuo)硫(liu)(liu)劑(ji)應用時(shi)間(jian)增加而(er)不(bu)(bu)斷降低(di),不(bu)(bu)利(li)(li)于(yu)(yu)控制煤氣最終含硫(liu)(liu)量。而(er)且(qie)由于(yu)(yu)干(gan)法脫(tuo)硫(liu)(liu)大多屬于(yu)(yu)間(jian)歇再生,為了不(bu)(bu)影(ying)響企業連續生產,必須設置(zhi)(zhi)備用脫(tuo)硫(liu)(liu)塔,造成設備閑(xian)置(zhi)(zhi)浪費(fei)。
3.2 濕式栲膠法脫硫優缺點
3.2.1濕式(shi)栲膠法脫硫(liu)優點
濕式(shi)栲膠法(fa)脫(tuo)硫(liu)(liu)整個脫(tuo)硫(liu)(liu)和再(zai)生過程(cheng)為連(lian)續在線(xian)過程(cheng),脫(tuo)硫(liu)(liu)與再(zai)生同時進行(xing),不(bu)需要(yao)設置備用(yong)脫(tuo)硫(liu)(liu)塔。煤氣脫(tuo)硫(liu)(liu)凈化程(cheng)度可以根據(ju)企(qi)業需要(yao),通過調整溶(rong)液配(pei)比(bi)調整,適(shi)時加以控制,凈化后煤氣中H2S含量穩定。
3.2.2 濕式栲膠(jiao)法(fa)脫硫缺點
設備較(jiao)多,電力裝機容量(liang)較(jiao)大(da),工藝操作比(bi)較(jiao)復(fu)雜,設備投資較(jiao)大(da)。
3.3 運行(xing)成本(ben)比較(jiao)
綜合考慮干法脫(tuo)(tuo)硫(liu)脫(tuo)(tuo)硫(liu)劑(ji)再(zai)生費用及定期更(geng)換(huan)脫(tuo)(tuo)硫(liu)劑(ji)的費用,則濕法栲膠脫(tuo)(tuo)硫(liu)的運行成(cheng)本要低于干法脫(tuo)(tuo)硫(liu)。
4.煅燒冶金活性石灰煤氣脫硫方式的選擇
利(li)(li)用發生爐煤(mei)氣為燃料煅燒(shao)冶金(jin)活性(xing)石(shi)(shi)灰,煤(mei)氣脫硫(liu)(liu)方(fang)式(shi)的(de)(de)選(xuan)擇應根據煤(mei)氣原始含硫(liu)(liu)量(liang)的(de)(de)高低和(he)石(shi)(shi)灰產品的(de)(de)等級定位來確定。結合石(shi)(shi)灰生產實際,選(xuan)擇合適的(de)(de)煤(mei)氣脫硫(liu)(liu)工(gong)藝方(fang)法,既有利(li)(li)于(yu)提(ti)高石(shi)(shi)灰的(de)(de)品質,又可以有效降低煤(mei)氣脫硫(liu)(liu)設備的(de)(de)投資和(he)脫硫(liu)(liu)運行成本(ben)。
對于石(shi)灰石(shi)品質較(jiao)差,自身含(han)硫(liu)(liu)較(jiao)高(gao),無(wu)法生(sheng)產(chan)高(gao)等級(ji)活(huo)性(xing)(xing)石(shi)灰,而且煤(mei)氣含(han)硫(liu)(liu)又不(bu)是(shi)特別高(gao)的石(shi)灰生(sheng)產(chan)線,可(ke)以考慮不(bu)進行煤(mei)氣脫(tuo)硫(liu)(liu)。對于原始煤(mei)氣H2S含(han)量較(jiao)低(di),而且要(yao)求生(sheng)產(chan)高(gao)等級(ji)活(huo)性(xing)(xing)石(shi)灰的生(sheng)產(chan)線,可(ke)考慮利用干法脫(tuo)硫(liu)(liu)技術進行煤(mei)氣脫(tuo)硫(liu)(liu)。
對于原始煤氣(qi)(qi)含硫(liu)(liu)(liu)較(jiao)高(gao)(gao),生產高(gao)(gao)等級石灰的(de)生產線(xian)(xian),應該選擇濕(shi)法脫(tuo)(tuo)(tuo)(tuo)硫(liu)(liu)(liu)工(gong)藝或(huo)濕(shi)法與干(gan)法脫(tuo)(tuo)(tuo)(tuo)硫(liu)(liu)(liu)相結合的(de)脫(tuo)(tuo)(tuo)(tuo)硫(liu)(liu)(liu)工(gong)藝,利用(yong)濕(shi)法脫(tuo)(tuo)(tuo)(tuo)硫(liu)(liu)(liu)先將(jiang)煤氣(qi)(qi)中的(de)大部分H2S脫(tuo)(tuo)(tuo)(tuo)除(chu),然后再利用(yong)干(gan)法脫(tuo)(tuo)(tuo)(tuo)硫(liu)(liu)(liu)對煤氣(qi)(qi)中的(de)H2S進行(xing)精脫(tuo)(tuo)(tuo)(tuo),從(cong)而達到較(jiao)高(gao)(gao)的(de)脫(tuo)(tuo)(tuo)(tuo)硫(liu)(liu)(liu)凈度。這樣既(ji)利用(yong)了(le)濕(shi)法脫(tuo)(tuo)(tuo)(tuo)硫(liu)(liu)(liu)可以在線(xian)(xian)調整的(de)優點,又(you)利用(yong)了(le)干(gan)法脫(tuo)(tuo)(tuo)(tuo)硫(liu)(liu)(liu)脫(tuo)(tuo)(tuo)(tuo)硫(liu)(liu)(liu)效(xiao)率高(gao)(gao)的(de)優點,并克(ke)服了(le)由于干(gan)法脫(tuo)(tuo)(tuo)(tuo)硫(liu)(liu)(liu)脫(tuo)(tuo)(tuo)(tuo)硫(liu)(liu)(liu)劑(ji)硫(liu)(liu)(liu)容因素造成(cheng)的(de)脫(tuo)(tuo)(tuo)(tuo)硫(liu)(liu)(liu) 劑(ji)失效(xiao)過快的(de)問題。
5.結語
從冶(ye)(ye)金(jin)石(shi)灰生(sheng)產的(de)(de)(de)源(yuan)頭(tou)著手,通(tong)過控制石(shi)灰石(shi)的(de)(de)(de)質量(liang)和對燃料(liao)煤氣進行適當的(de)(de)(de)脫硫(liu)處(chu)理(li),可以有(you)效降(jiang)低冶(ye)(ye)金(jin)石(shi)灰的(de)(de)(de)硫(liu)含量(liang),并提高其中的(de)(de)(de)CaO含量(liang),從而達到降(jiang)低煉(lian)鋼(gang)成本,提高鋼(gang)水質量(liang)和冶(ye)(ye)煉(lian)水平的(de)(de)(de)目的(de)(de)(de)。對于(yu)冶(ye)(ye)金(jin)石(shi)灰生(sheng)產企業而言,結(jie)(jie)合自身條件和實際情況(kuang),有(you)取舍的(de)(de)(de)合理(li)選擇燃料(liao)煤氣的(de)(de)(de)脫硫(liu)形式,有(you)利于(yu)優化企業的(de)(de)(de)投資規(gui)模和產品結(jie)(jie)構。
參考文獻:
[1] 尹保明(ming),2008年前三(san)季度中國石(shi)灰工業(ye)經濟運行情況報告[A],中國石(shi)灰協(xie)會(hui),中國石(shi)灰工業(ye)技術(shu)交流論文(wen)匯編[C],2008,(1-7)
[2] 郭世民(min),活性石(shi)灰在冶(ye)金生產中的應(ying)用(yong)[J],耐(nai)火與石(shi)灰,2007,32(5):1-2
[3] YB/T 042-2004,中華人民共和國黑色冶(ye)金行(xing)業標準冶(ye)金石灰[S]
[4] 中國冶金(jin)建設(she)協會,鋼鐵企業原料(liao)準備設(she)計手(shou)冊[M],北(bei)京(jing):冶金(jin)工業出版(ban)社(she),1997年6月
[5] 蕭翰斌,煤基(ji)活性石灰含(han)硫量淺析[J],漣鋼科技(ji)與管理,2004,(6):22-24
[6] 李曉君,影響(xiang)冶金石灰(hui)質量的(de)因素(su)[J],遼寧(ning)科(ke)技大學(xue)學(xue)報,2008,31(6):579-581

使用微信“掃一掃”功能添加“谷騰環保網”